EasyManua.ls Logo

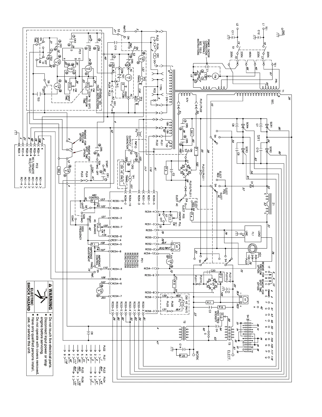
Miller Syncrowave 250 - Circuit Diagram

Miller Syncrowave 250
48 pages
Print Icon
To Next Page IconTo Next Page
To Next Page IconTo Next Page
To Previous Page IconTo Previous Page
To Previous Page IconTo Previous Page
Loading...
OM-353 Page 29
SC-188 161-A
5-5. Circuit Diagram

Table of Contents

Related product manuals