EasyManua.ls Logo

Mini Crosser T - Page 59

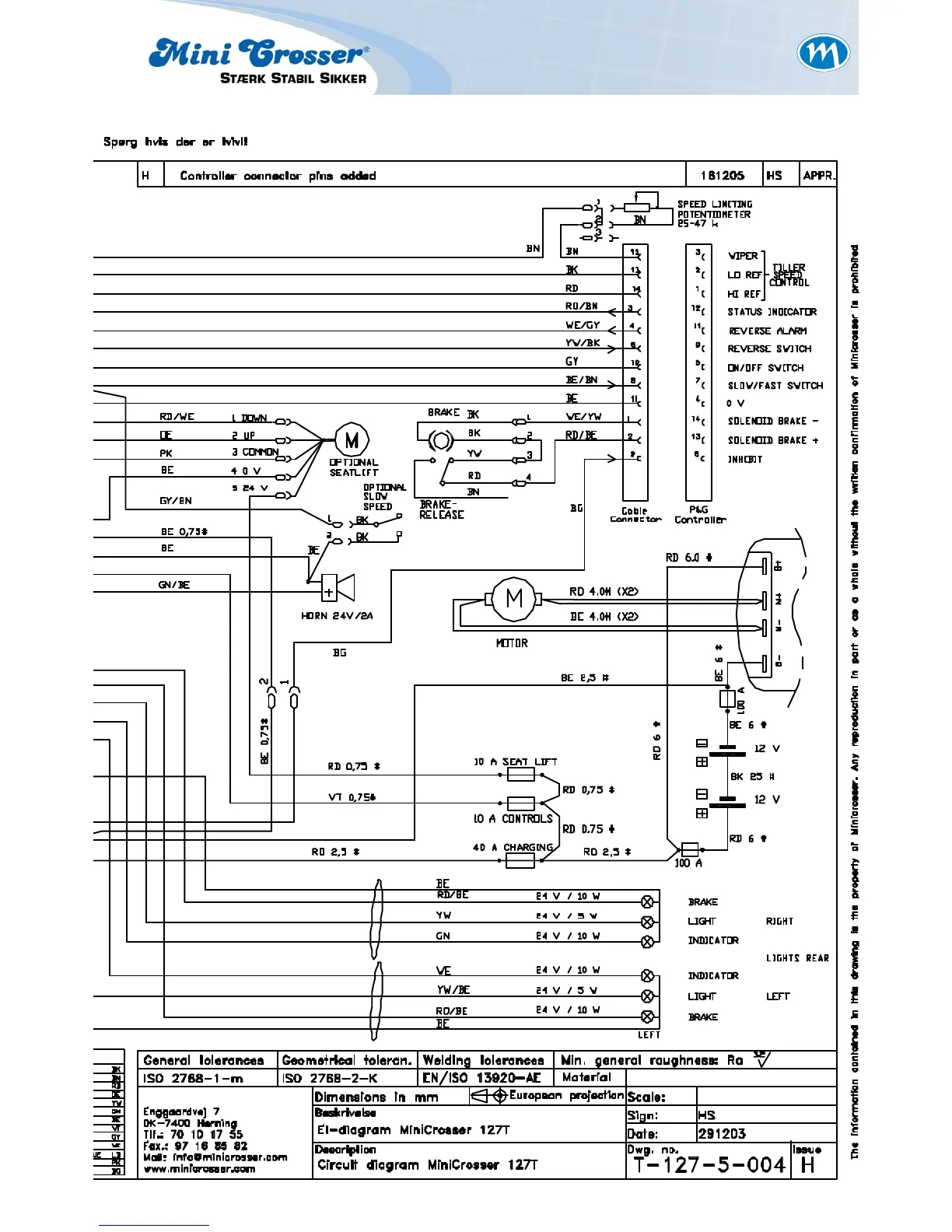
Mini Crosser T
Print Icon
To Next Page IconTo Next Page
To Next Page IconTo Next Page
To Previous Page IconTo Previous Page
To Previous Page IconTo Previous Page
Loading...
59
Mini Crosser A/S

Table of Contents

Related product manuals