EasyManua.ls Logo

Mini Crosser T - El-Teknisk Diagram

Mini Crosser T
Print Icon
To Next Page IconTo Next Page
To Next Page IconTo Next Page
To Previous Page IconTo Previous Page
To Previous Page IconTo Previous Page
Loading...
58
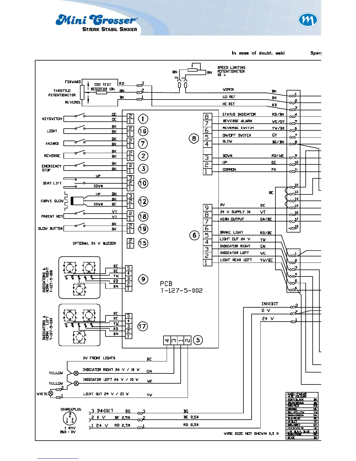
20 El-teknisk diagram

Table of Contents

Related product manuals