EasyManua.ls Logo

Minuteman ES 2832 - 28 Disc Scrub Deck Assembly

Minuteman ES 2832
63 pages
Print Icon
To Next Page IconTo Next Page
To Next Page IconTo Next Page
To Previous Page IconTo Previous Page
To Previous Page IconTo Previous Page
Loading...
46
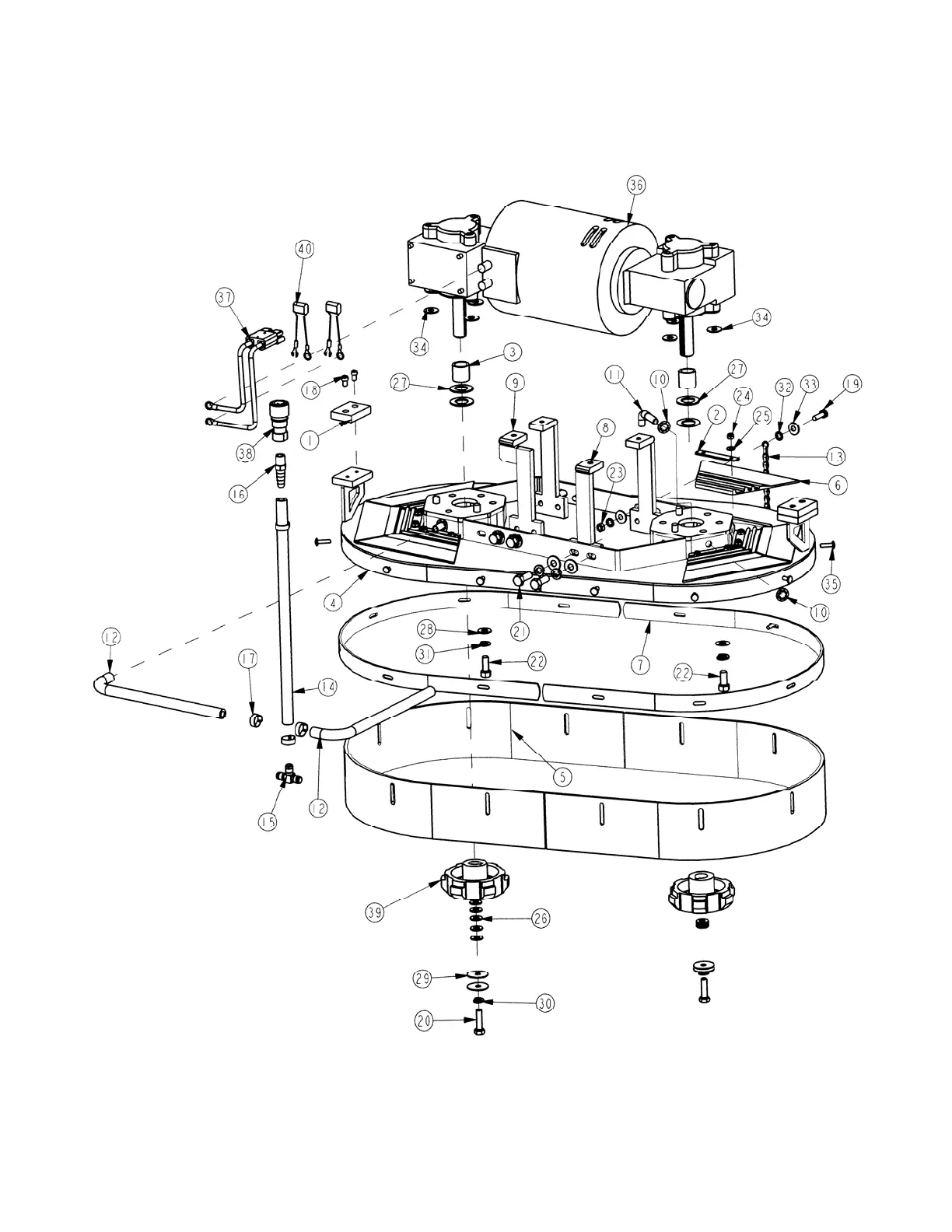
28” DISC SCRUB DECK ASSEMBLY

Table of Contents

Related product manuals