EasyManua.ls Logo

Monitor MZ Series - Page 32

Default Icon
40 pages
Print Icon
To Next Page IconTo Next Page
To Next Page IconTo Next Page
To Previous Page IconTo Previous Page
To Previous Page IconTo Previous Page
Loading...
32
MZ INSTALLATION & MAINTENANCE
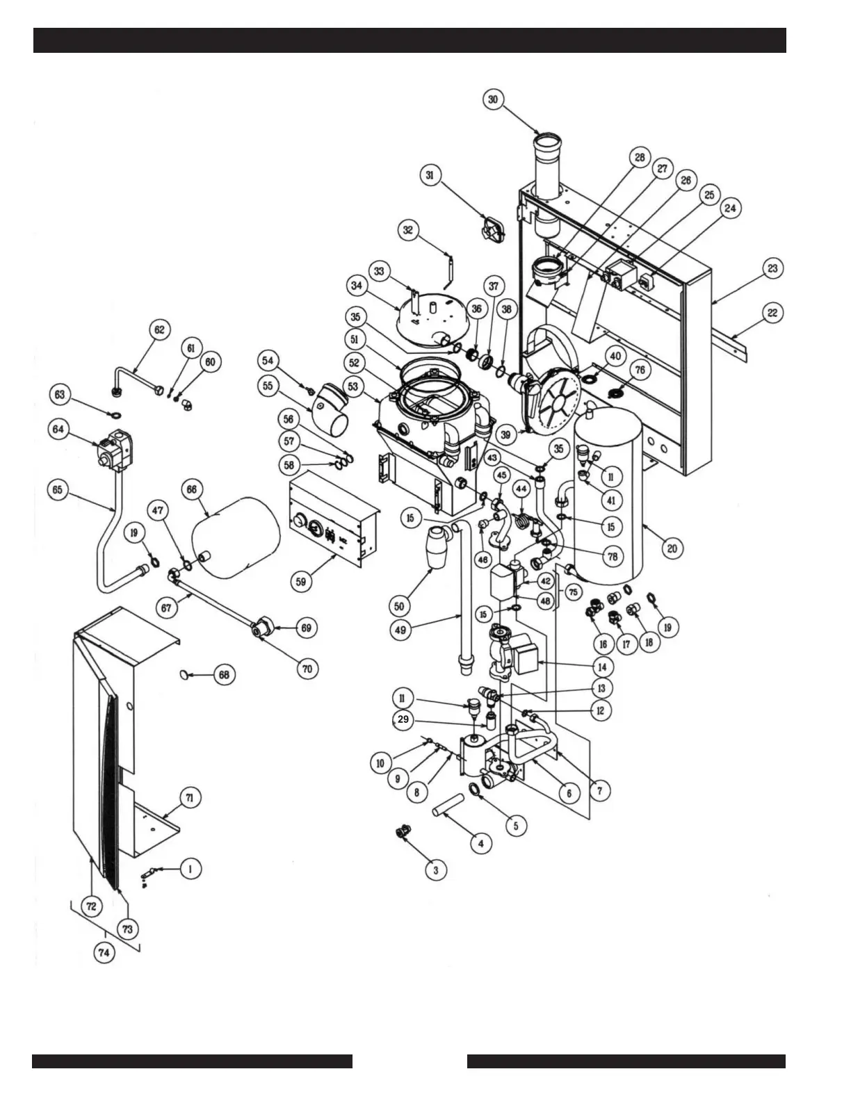
APPENDIX B
MZ25S