EasyManua.ls Logo

Morooka MST-800VD - General View; General View of Machine

Morooka MST-800VD
134 pages
Print Icon
To Next Page IconTo Next Page
To Next Page IconTo Next Page
To Previous Page IconTo Previous Page
To Previous Page IconTo Previous Page
Loading...
2-2
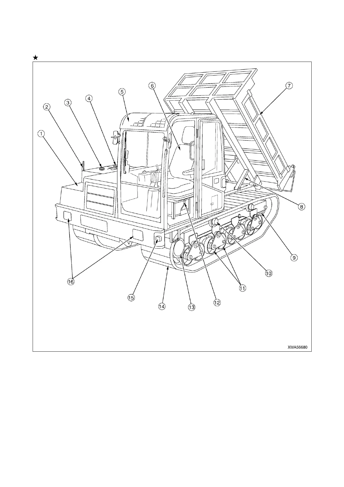
1. GENERAL VIEW
1.1 GENERAL VIEW OF MACHINE
Cab Specifications
(1) Battery box
(2) Rear view mirror
(3) Fuel tank
(4) Hydraulic tank
(5) Cab
(6) Operators seat
(7) Dump body
(8) Safety bar
(9) Rear idler
(10) Carrier roller
(11) Track roller
(12) Dump control lever
(13) Travel motor, sprocket
(14) Rubber crawler
(15) Turn signal lamp
(16) Head lamp

Table of Contents