EasyManua.ls Logo

Motorola EP450

Motorola EP450
173 pages
To Next Page IconTo Next Page
To Next Page IconTo Next Page
To Previous Page IconTo Previous Page
To Previous Page IconTo Previous Page
Loading...
Chapter 8 438-470 MHz UHF Theory Of Operation
8.1 Introduction
This chapter provides a detailed theory of operation for the radio components. Schematic diagrams
for the circuits described in the following paragraphs are located in Chapter 11of this manual.
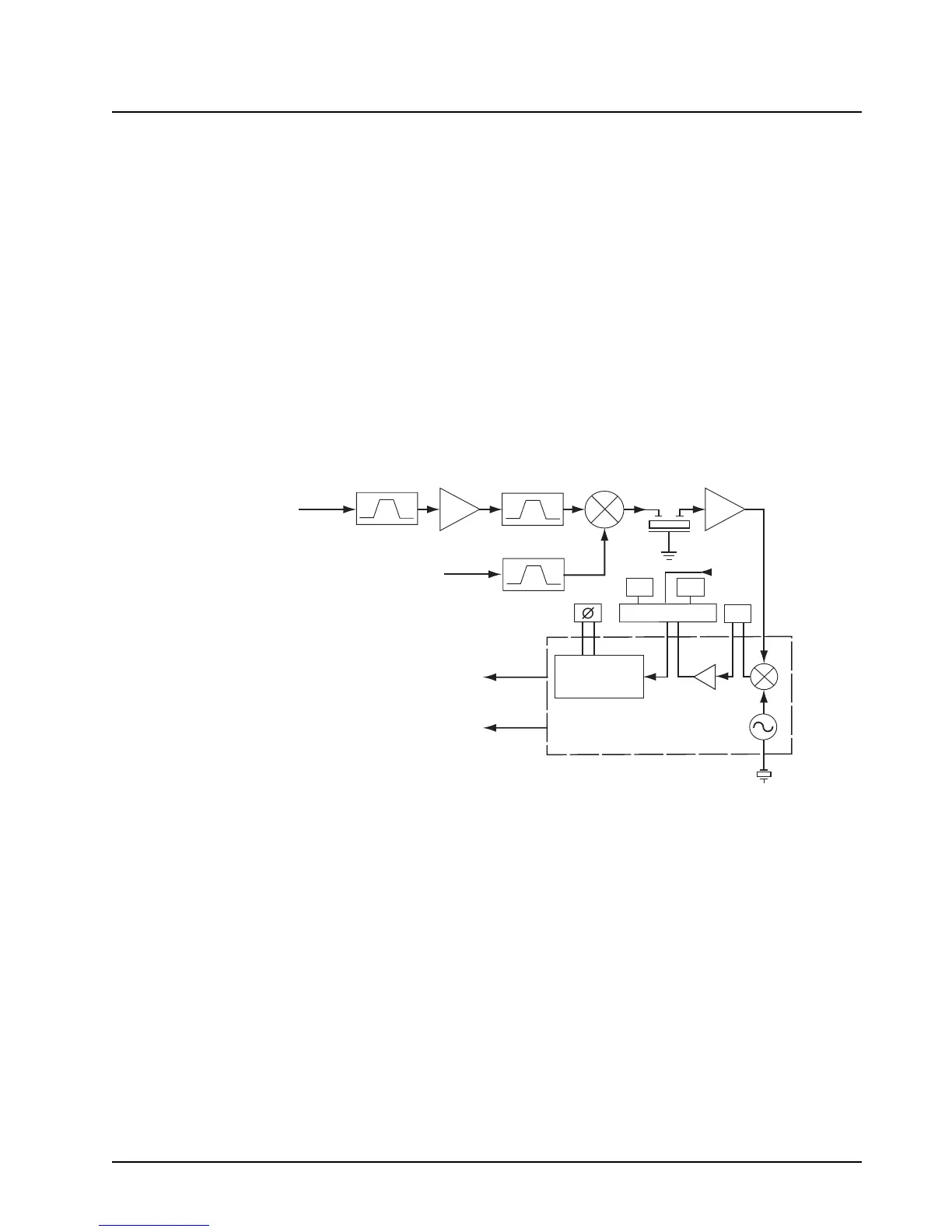
8.2 UHF Receiver
The UHF receiver covers the range of 438-470 MHz and provides switchable IF bandwidth for use
with 20/25/30 kHz or 12.5 kHz channel spacing systems. The receiver is divided into two major
blocks, as shown in Figure 8-1.
Front End
Back End
Figure 8-1. UHF Receiver Block Diagram
8.2.1 Receiver Front End
Incoming RF signals from the antenna are first routed through the harmonic filter and antenna switch,
part of the transmitter circuitry, before being applied to the receiver front end. The receiver front end
consists of a preselector filter, RF amplifier, an interstage filter, and a double-balanced first mixer.
The preselector filter is a fixed-tuned 3-pole Butterworth design using discrete elements (L1-L3, C1-
C10, C12 and C523) in a shunt-resonator configuration. It has a 3 dB bandwidth of 68 MHz centered
at 460 MHz, an insertion loss of 2 dB and image attenuation of 35 dB at 380 MHz. Diode CR1
protects the RF amplifier by limiting excessive RF levels. The filter bandwidth is considerably wider
than the receive band, to achieve low insertion loss in a compact size. C523 provides a transmission-
zero to improve image attenuation.
The output of the filter is matched to the base of RF amplifier Q21, which provides 18 dB of gain and
a noise figure of 4 dB. A BFS505 device is used for high gain, low noise figure and reduced operating
current. Operating voltage is obtained from the 5R source, which is turned off during transmit to
reduce dissipation in Q21. Current mirror Q22 maintains the operating current of Q21 constant at 8
mA regardless of device and temperature variations, for optimum dynamic range and noise figure.
Demodulator
Crystal
Filter
1st Mixer
RF
Amp
IF
Amp
Preselector
Filter
Interstage
Filter
Recovered Audio
RSSI
RX from
Antenna Switch
Inj Filter
First LO
from Synthesizer
Ceramic
Resonator
Cer Fltr
Switching
4E
6E
6G
BW_SEL

Table of Contents

Other manuals for Motorola EP450

Related product manuals