EasyManua.ls Logo

Motorola Malux MTM5x00 Series - Re-Crimp Procedure; Figure 56: Connecting Diagrams

Motorola Malux MTM5x00 Series
134 pages
Print Icon
To Next Page IconTo Next Page
To Next Page IconTo Next Page
To Previous Page IconTo Previous Page
To Previous Page IconTo Previous Page
Loading...
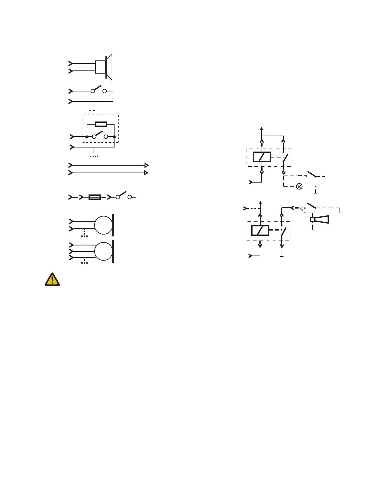
Figure 56: Connecting Diagrams
86
85
87
30
+12 V
EXT_ALARM 26
86
85
87
30
+12 V
EXT_ALARM 26
+12 V
+12 V
SWB+ 7
EXT_PTT 17
GND 8
EMERGENCY 23
12k
GND 8
RSN4002 Speaker 13 W
RSN4004 Speaker 5 W
RLN4857 Pushbutton w/Remote PTT
RLN4858 Gooseneck PTT
RLN4836 Tri-state Emergency
Footswitch and Cable
GMLN5091 External Alarm Relay Kit containing:
GKN6272 External Alarm Relay and Cable
PMLN5072 Accessory Connector Kit
4 A
PMKN4119 Speaker Extension Cable
PMMN4087 Visor Microphone w/ cable
GMMN4065
RMN5054
HKN9327 Ignition Sense Cable w/ fuse
Car Ignition
Switch
PMLN5072 Accessory connector kit containing:
1516174H01 Accessory Connector 26-pin
3915560H01 Crimp Contact 20-24 AWG (quantity 27)
4210217A02 Nylon Tie Rap
6671929L01 Service Tool
The recommended crimp tool (not part of PMLN5072):
SamTec P/N: CAT-HT-179-2024-11910910
SPEAKER + 9
SPEAKER - 10
MIC1/EXT_MIC 13
GND_MIC 16
SPEAKER + 9
SPEAKER - 10
IGNITION 25
9
10
+12 V/
+24 V
MIC1/EXT_MIC 13
GND_MIC 16
1-WIRE 5
CAUTION: HKN9327_ Ignition Sense Cable: If the ignition line is not used, it needs to be
grounded. Interference can cause radio to hang.
5.3
Re-crimp Procedure
To use accessories from MTM800 such as RLN4858_ and GKN6272_ with the rear connector of the
radio, follow the re-crimp procedure using the crimp pins provided with PMLN5072_ connector kit.
These accessories do not require to be re-crimped when used with the Data Junction Box
GMLN5089_.
Process:
1 Cut and remove nickel plated pins from wire.
2 Strip the insulation from the end of the wires (2 mm to 4 mm).
3 Place the new gold plated crimp pin (from the PMLN5072_ kit) on the gauge slot on the crimp
tool.
4 Insert wire into the wire slot of the crimp pin.
5 Apply pressure to the crimp tool handle, until wire is crimped by the pin.
68015000181-LB
Chapter 5: Connectors and PIN Assignment
96 Send Feedback

Table of Contents

Related product manuals