EasyManua.ls Logo

MSA 47K Series - Wiring Diagram Sensor 47 K-HT-PRP with Junction Box ATEX 100 °C

MSA 47K Series
52 pages
Print Icon
To Next Page IconTo Next Page
To Next Page IconTo Next Page
To Previous Page IconTo Previous Page
To Previous Page IconTo Previous Page
Loading...
GB
WIRING DIAGRAMS MSA
46 Series 47K Gas Detector [SIL 2]
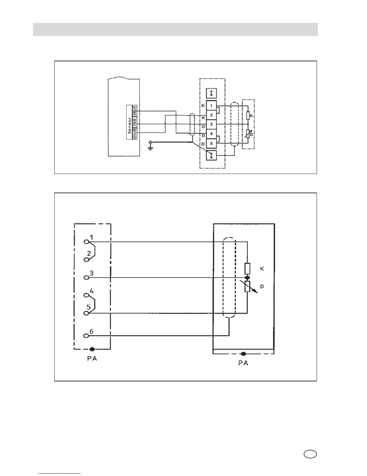
10.3.2 Series 47K-HT-PRP
10.4. Wiring Diagram Sensor 47K-HT-PRP with Junction Box ATEX 100 °C
Terminal block Sensor type
Series 47K-HT-PRP
Brown
Grey
Black
White
on wall mounted bracket
Series 47K-HT-PRP
GasGard XL
Mainboard Terminal

Table of Contents

Other manuals for MSA 47K Series

Related product manuals