EasyManua.ls Logo

Multiplex Icecore 10 R290 - Icecore 10 Water Cooled Wiring Schematic

Multiplex Icecore 10 R290
44 pages
Print Icon
To Next Page IconTo Next Page
To Next Page IconTo Next Page
To Previous Page IconTo Previous Page
To Previous Page IconTo Previous Page
Loading...
36
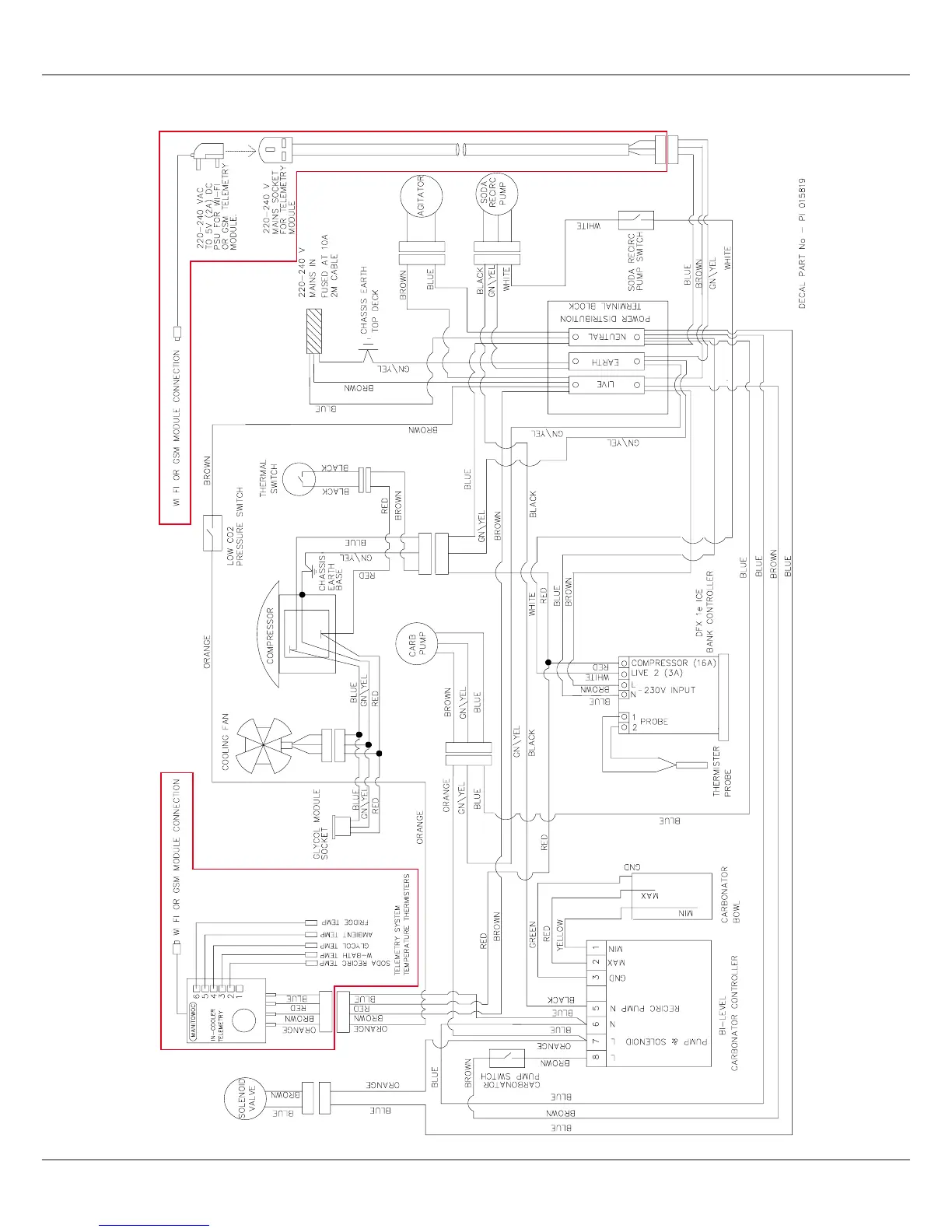
Section 6
11-1001-xx Icecore 10 Water Cooled (Cold Carbonated) Wiring Schematic
Note: Highlighted items installed on telemetry enabled units only

Table of Contents

Related product manuals