EasyManua.ls Logo

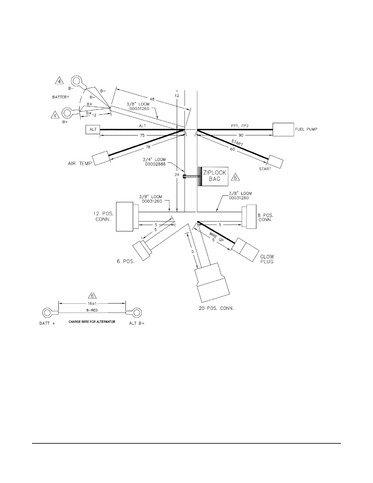
Murphy ML2000 - 4 LE2 Harness Wiring

Murphy ML2000
48 pages
Print Icon
To Next Page IconTo Next Page
To Next Page IconTo Next Page
To Previous Page IconTo Previous Page
To Previous Page IconTo Previous Page
Loading...
Section 40 00-02-0994
2016-06-28 - 10 -
4LE2 Harness