EasyManua.ls Logo

NAD C 325BEE - Schematics Diagram (3;4); Power Supply Circuit Schematics

NAD C 325BEE
37 pages
Print Icon
To Next Page IconTo Next Page
To Next Page IconTo Next Page
To Previous Page IconTo Previous Page
To Previous Page IconTo Previous Page
Loading...
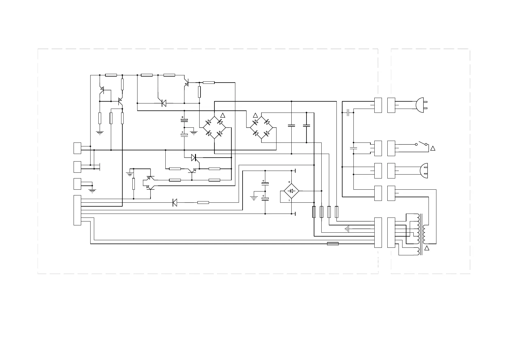
NAD C325BEE POWER CIR.
C51
10n/250V
D51
KBU8D
C52
10n/250V
D55
KBU8D
C517
15000uF/50V 10%
C518
15000uF/50V 10%
D531
TIC116D
D532
TIC116D
R558
1K
R563
22K
R561
100
R562
1K
R560
1K
R559
1K
R565
100
R564
22K
R531
0.05/3W 5% CE
R532
220
R534
2K2
R533
1M
R566
4K7
D513
1N4004
R544
22K
C523
3300u/50V
C524
2200u/50V
!!
F51F52 F54 F53
+46V
-46V
-37V
+37V
I-V
AC DET.
TRIG
10%
10%
F55
500mA/250V
6.3A/250V X4
1
2
3
4
5
6
7
CB51
CON7
8V
0V
1
2
3
4
5
6
7
CB53
D56
DB104
36.4V
36.4V
0V
28.5V
28.5V
WHITE
RED
Q519
A1015
Q520
C1815
Q59
A1015
Q510
A1015
Q517
A1015
Q518
C1815
1
2
CB54
R567
330K
+37v
-37v
~8V
0V
1
2
CB52
1
2
3
CB55
CON3
1
2
3
CB56
CON3
1
3
CB57
CON3
-46V
+46V
C53
4.7nF/400V
C54
0.47uF
1
2
CB58
RED
WHITE
(For AH version)
AC POWER CORD
SW52
POWER SWITCH
1
2
3
CZ55
!
1
2
3
CZ56
CON3
T401
RED
GRY
BLK
ORG
VIO
!
1
2
3
4
5
6
7
CZ51
CON7
1
2
3
CZ57
CON3
Transformer
1
2
3
CB59
CON3
1
2
3
CZ59
CON3
1
1
2
2
AC outlet
SCHEMATICS DIAGRAM (3/4)
PCB-2:POWER BOARD Vm2.0
POWER CIRCUIT Vm1.2
19
www.hifiengine.com

Other manuals for NAD C 325BEE

Related product manuals