EasyManua.ls Logo

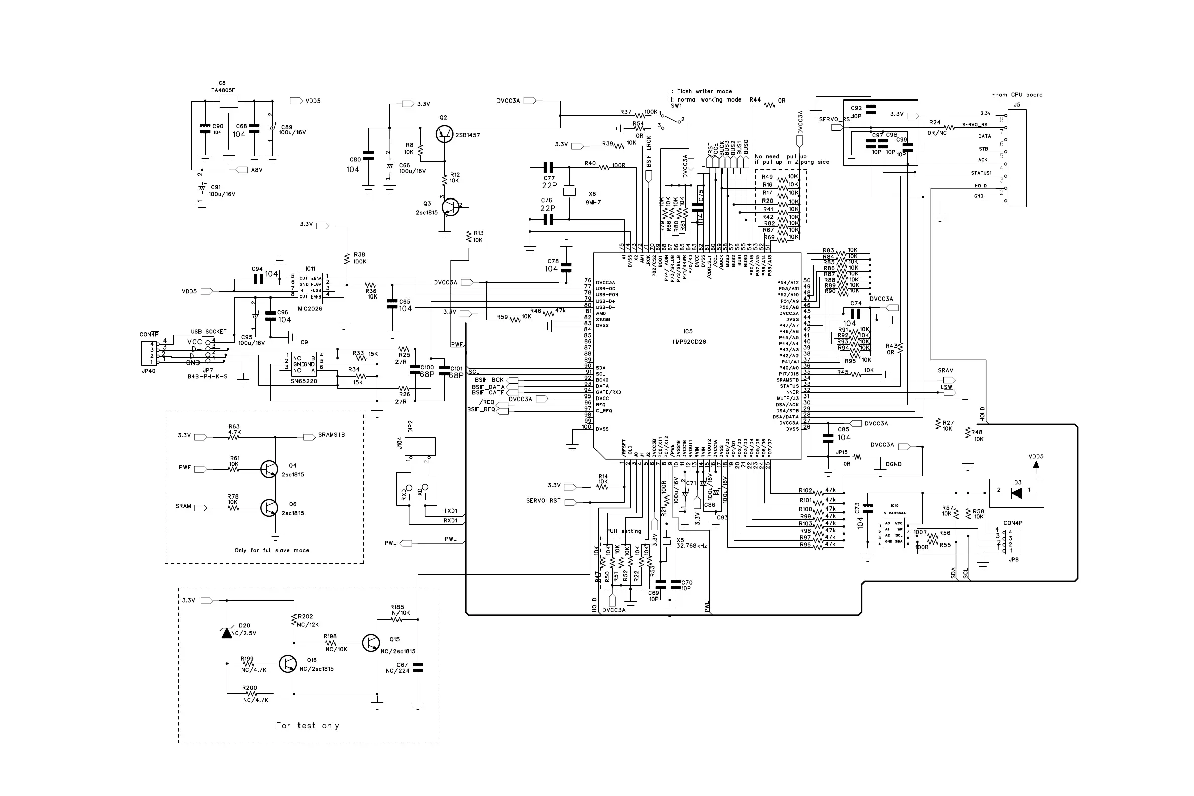
NAD C 565BEE - USB Interface Schematic; USB Controller and Data Lines

NAD C 565BEE
56 pages
Print Icon
To Next Page IconTo Next Page
To Next Page IconTo Next Page
To Previous Page IconTo Previous Page
To Previous Page IconTo Previous Page
Loading...
- 23 -
NOTE: 1. RESISTORS, ARE CARBON FILM 5% 1/8W UNLESS
OTHERWISE SPECIFIED.
2. CERAMIC CAPACITORS, ARE 50V 10%. UNLESS
OTHERWISE SPECIFIED.
USB

Related product manuals