EasyManua.ls Logo

NAD C 565BEE - DSP SRC4382 Block Diagram; Audio Interface Blocks

NAD C 565BEE
56 pages
Print Icon
To Next Page IconTo Next Page
To Next Page IconTo Next Page
To Previous Page IconTo Previous Page
To Previous Page IconTo Previous Page
Loading...
- 25 -












(.$
"(
(%*)
+
)-
)-
$
&%
&%
&%
&%
#"!
!
"'!
($
(%*)
$
$
+%
$
(%*)
($
"'!
!
'-!
#*)
'.
$
+
&#
(
"!
$
%*)
$)
'()



'-
'-
'-
'-
'-
'-
'-
'-
+
$
"%!
'-!%
      
   
          



'2%*)
('2%*)
&%')22$
&%')22$
F6;@ (7C;3=
&@CE
F6;@ (7C;3=
&@CE
;9;E3=
?E7C8357
'757;G7C'
;9;E3=
?E7C8357
)C3?D>;EE7C
)
DJ?5:C@?@FD
(3>A=7 '3E7
@?G7CE7C
('
)-
)-
($
(%*)
"'!
 !
($
(%*)
"'!
 !
&#
( @C 
"!@C("
$@C
%*) @C(
$)
'()
@DE
?E7C8357
(&@C 
3?6
7?7 3C=
&FCA D@7
%FEAFED
#3DE7C
= 5<@
;DEC;4FE;@?
# !"
'-!
C@>'-!%
& %
& %
& %
& %
(%*)
'-!%
"%!
'-
'-
'-
'-
'-
'-
'-
'-
'.
#* )
"(
(. $
&%')
&%')
'
)
('
@?EC@=3?6(E3EFD
'79;DE7CD
'3?6 *
3E3F887CD
)3?6 *
3E3F887CD
&@H7C
+
$
+
$
+%
$
+
 $
 $
?E7C?3==J);76
E@(F4DEC3E7
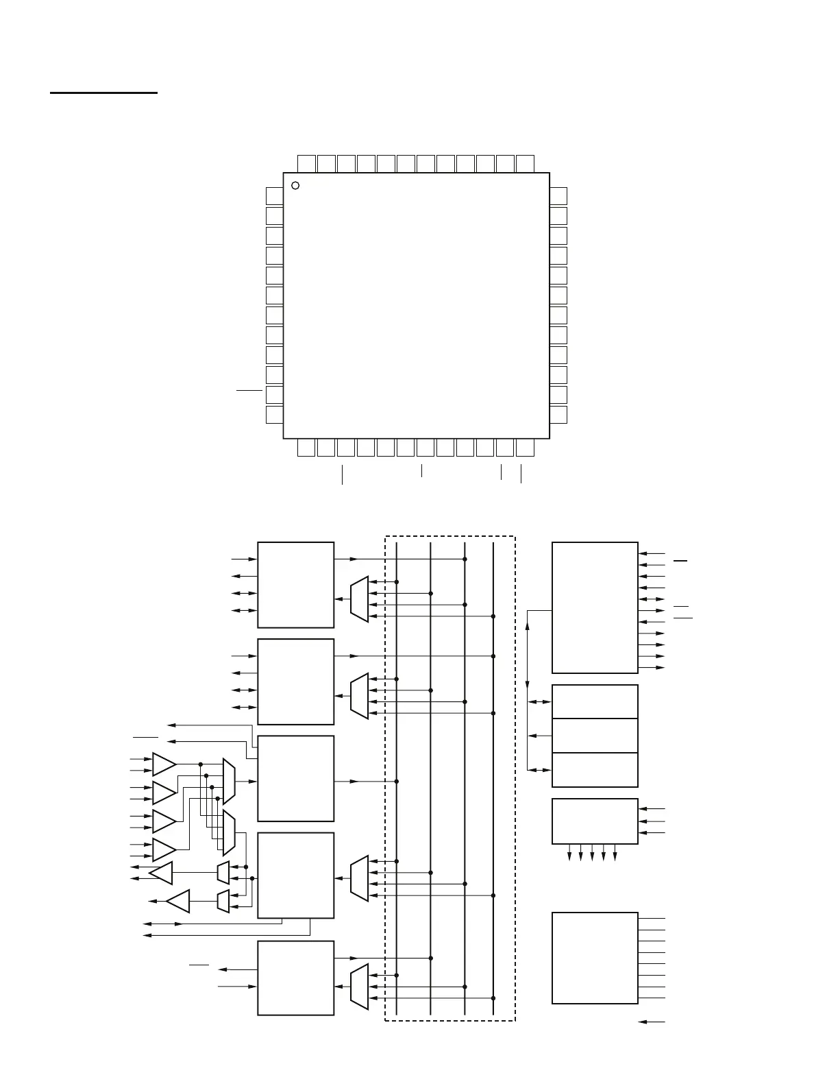
MAIN BOARD
IC205: DSP SRC4382 TDFP-48

Related product manuals