EasyManua.ls Logo

NAD C 565BEE - Servo Board IC Diagrams; Regulator, EPROM, and Analog ICs

NAD C 565BEE
56 pages
Print Icon
To Next Page IconTo Next Page
To Next Page IconTo Next Page
To Previous Page IconTo Previous Page
To Previous Page IconTo Previous Page
Loading...
- 32 -
1IN
Over current
protection
2OUT
3GND
Thermal
shutdown circuit
Reference
voltage circuit
Constant
current circuit
OUT
GND
IN
12
3
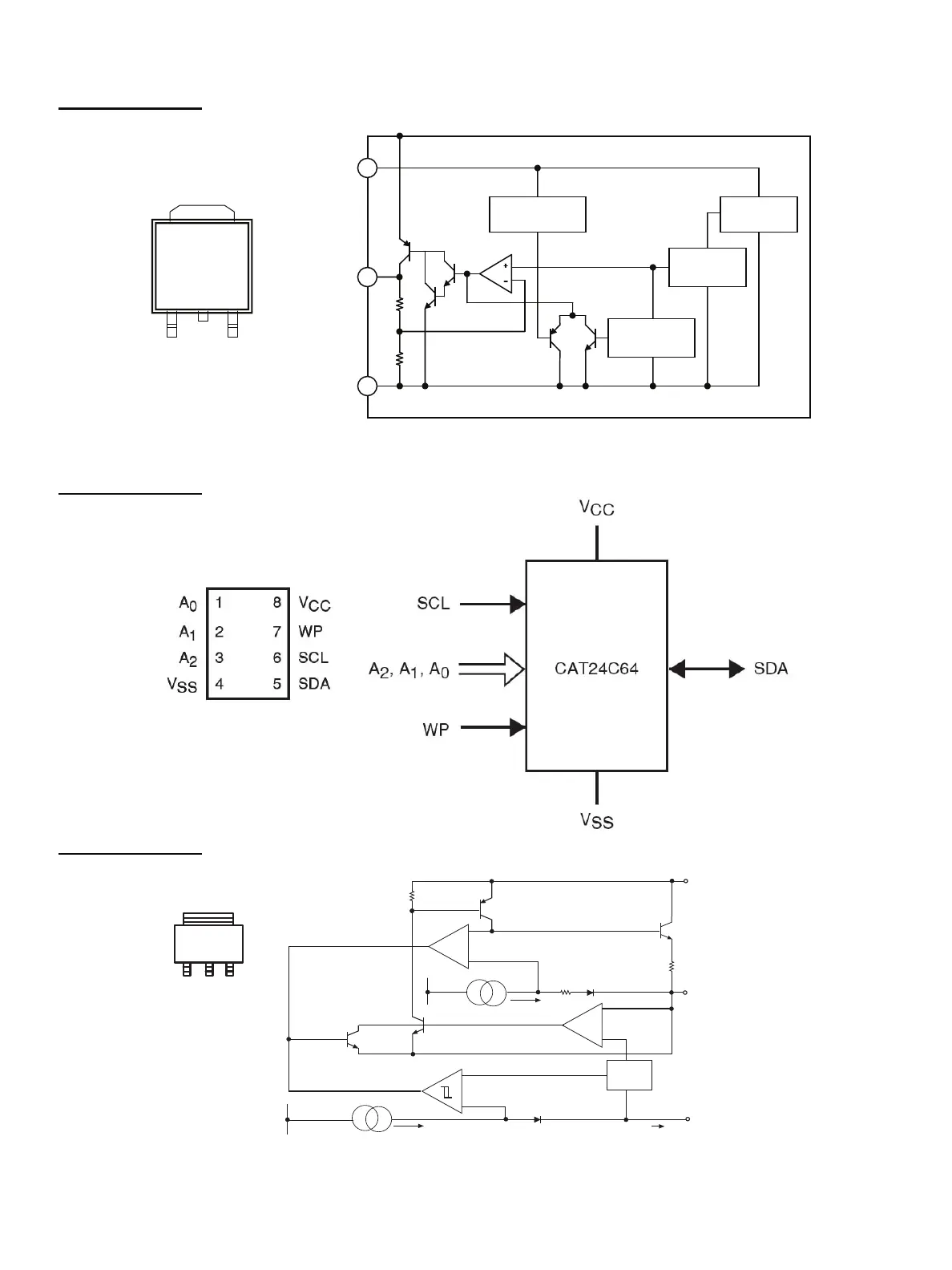
SERVO BOARD
IC8: REGULATOR TA4805F SMD
SERVO BOARD
IC10: MEMORY EPROM
$""!# #
"  #




&

%
μ
&


"&
.
'-,
.
!&
SERVO BOARD
IC77: LM1117S-3.3

Related product manuals