EasyManua.ls Logo

NAD T 753 - Page 32

NAD T 753
80 pages
Print Icon
To Next Page IconTo Next Page
To Next Page IconTo Next Page
To Previous Page IconTo Previous Page
To Previous Page IconTo Previous Page
Loading...
32
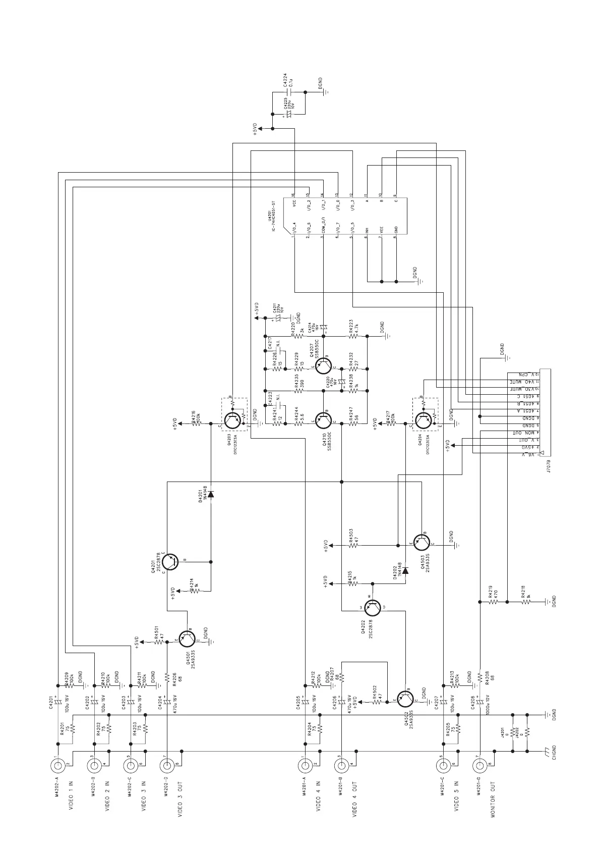
COMPOSITE VIDEO
RESISTORS : UNLESS OTHERWISE SPECIFIED ARE CARBON FILM.
NOTE:
1. RESISTORS, UNLESS OTHERWISE SPECIFIED, ARE 1/6W, 5%.
2. ALL CERAMIC CAPACITORS, UNLESS OTHERWISE SPECIFIED, ARE 50V, 10%.