EasyManua.ls Logo

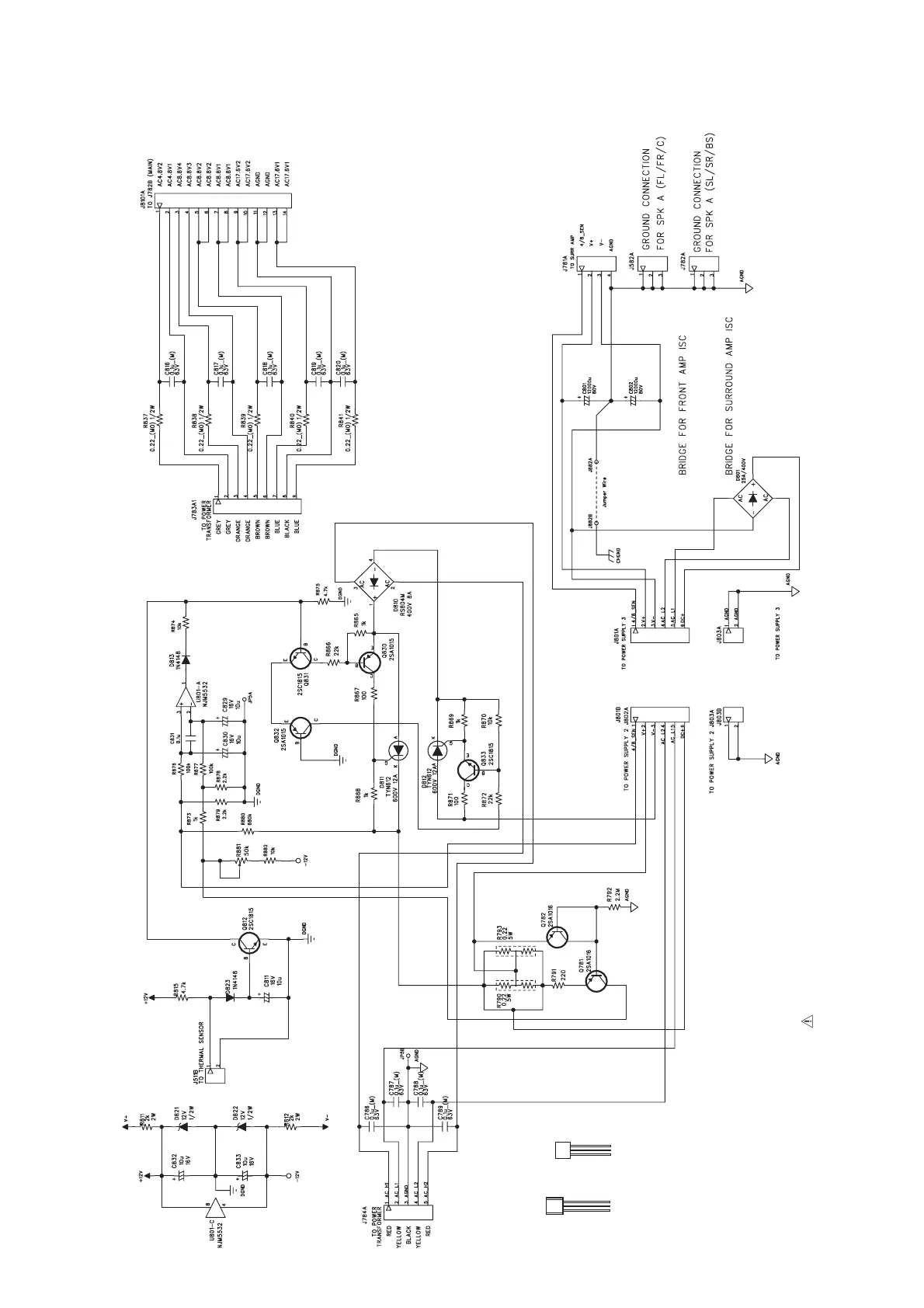
NAD T 753 - Schematic Diagram (Continued); Power Supply (Secondary)

NAD T 753
80 pages
Print Icon
To Next Page IconTo Next Page
To Next Page IconTo Next Page
To Previous Page IconTo Previous Page
To Previous Page IconTo Previous Page
Loading...
33
E C B
2SA1015
2SC1815
E C B
2SA1016
POWER SUPPLY (SECONDARY)
NOTE: 1. RESISTORS, UNLESS OTHERWISE SPECIFIED, ARE 1/6W, 5%.
2. COMPONENTS MARKED
ARE SAFETY CRITIAL PARTS.