EasyManua.ls Logo

NAD T 775 - Page 58

NAD T 775
129 pages
Print Icon
To Next Page IconTo Next Page
To Next Page IconTo Next Page
To Previous Page IconTo Previous Page
To Previous Page IconTo Previous Page
Loading...
56
C7009
0.1u
C7011
1000u
25V
IN
GND
OUT
U7005
7812
C7001
6800u
35V
C7002
0.1u
C7003
0.1u
C7004
6800u
35V
GND
IN OUT
U7006
7912
C7006
0.1u
-+
AC
AC
4
1
3
2
D7002
RS605
600V 6A
C7008
4700u
25V
C7010
0.1u
C7007
330u
50V
D7004
1N4007
R7001
33k
C7015
0.1u
C7018
0.1u
C7019
2200u
25V
IN
GND
OUT
U7001
7805
C7020
1000u
25V
C7021
0.1u
C7016
0.1u
C7017
1000u
25V
IN
GND
OUT
U7002
7805
C7022
2200u
25V
C7023
0.1u
C7024
0.1u
C7025
2200u
25V
IN
GND
OUT
U7004
7805
C7026
1000u
25V
C7027
0.1u
C7028
0.1u
C7029
4700u
25V
-+
AC
AC
4
1
3
2
D7001
RS605
600V 6A
C7030
0.1u
C7031
1000u
25V
IN
GND
OUT
U7003
7812
C7032
2200u
25V
C7033
0.1u
1
2
3
4
5
6
7
8
9
10
11
12
13
14
15
16
17
18
19
20
J7001A
To Conn#2 J7001B
C7005
1000u
25V
-+
AC
AC
4
1
3
2
D7003
RS402L
70V 4A
1
2
3
4
5
6
7
8
9
10
11
12
J7006A
TO Conn#1 J7006B
1
2
3
4
5
6
7
8
9
10
11
12
J7007A
TO Conn#1 J7007B
1
2
3
4
5
6
7
8
9
10
11
12
13
14
15
16
17
18
19
20
21
22
23
24
25
26
27
28
J2003B
To MCU J2003A
J7002
D7005
0
R7003
3.3k
R7002
1k
ADJ
OUT
IN
U7007
LM317
D7006
1N4007
R7006
0.22 1/2W
(FUSIBLE)
AC8.8V4
AC8.8V3
AC8.8V1
AC17.6V2
AC17.6V1
AGND
DGND
DGND
DGND
DGND
AGND
AC8.8V4
AC8.8V3
AC8.8V2
AC8.8V2
AC8.8V1
AC17.6V2
AGND
AC17.6V1
+12.3V
AC4.8V2
AC4.8V1
+5V_DSP
+8V_V
+5V_V
+12V_D
+5V_K
+39V
+12V_A
-12V_A
AGND
+15V
+5V_DSP
+5V_DSP
DGND
+8V_V
+8V_V
DGND
DGND
+5V_V
+5V_V
DGND
DGND
AC4.8V2
AC4.8V1
+5V_K
+5V_K
+5V_K
+5V_K
AGND
AGND
AGND
AGND
+12V_A
+12V_A
+12V_A
-12V_A
-12V_A
-12V_A
+8V_V
+8V_V
DGND
+39V
DGND
DGND
DGND
DGND
+12V_A
AGND
-12V_AAC29V
AGND
AGND
+15V
+12V_D
DGND
+5.3V
+5.3V
AGND
+5V_V
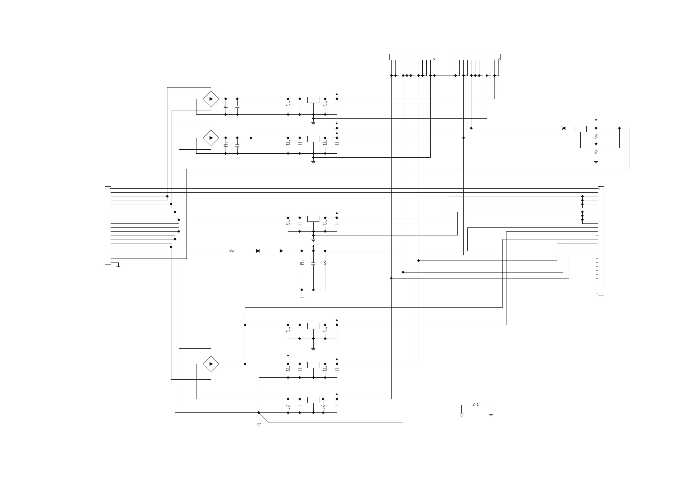
MAIN BOARD

Other manuals for NAD T 775

Related product manuals