EasyManua.ls Logo

NAD T 775 - Page 57

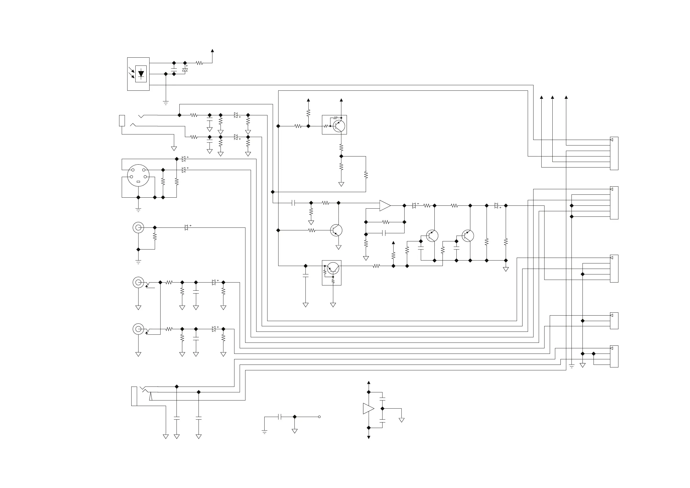
NAD T 775
129 pages
Print Icon
To Next Page IconTo Next Page
To Next Page IconTo Next Page
To Previous Page IconTo Previous Page
To Previous Page IconTo Previous Page
Loading...
55
F-INPUT
FRONT
OPTICAL INPUT
MIC/MP IN
FRONT
S-VIDEO INPUT
FRONT
FRONT
FRONT
HEADPHONE
COMPOSITE INPUT
R(MONO) INPUT
L INPUT
MIC_BIAS:
H: MP3
L: MIC
5V
3.1V
2V
+26dB GAIN
R9304
75
C9305
2.2uF 50V
CG
G
YG
YC
3
5
2
4
1
M9304
R9303
75
R9302
75
C9304
2.2uF
50V
C9303
2.2uF 50V
1
2
M9305
1
2
3
M9307
1
2
3
M9306
R9308
0
R9305
0
R9309
N.I.
R9306
N.I.
C9308
100p
C9306
100p
C9309
22u 16V
C9307
22u 16V
R9310
33k
R9307
33k
1
2
3
5
M9308
C9310
1000p
C9311
1000p
C9302
2.2uF
50V
1
2
3
M9301
C9301
0.1uF
R9320
4.7k
R9323
4.7k
C9316
0.1uF
C9317
0.1uF
R9319
10k
R9325
100k
C9315
22u 16V
R9322
470
Q9303
2SC4695
R9324
100k
Q9304
2SC4695
R9321
470
R9318
300
Q9302
DTA114EKA
C9313
220p
3
+
2
-
1
U9301-A
NJM5532M
C9314
2.2uF 50V
R9317
43k
R9314
2.2k
R9316
2.2k
E
C
B
Q9301
DTA114EKA
R9311
47K
R9312
N.I.
R9313
18k
8
4
U9301-C
NJM5532M
R9326
10k
E
C
B
Q9305
2SC4695
R9327
4.7k
R9328 0
C9321
22u 16V
C9320
22u 16V
R9330
33k
R9331
33k
1
2
3
M9302
J-TR-ST03007
C9322
33p
C9323
0.1uF
C9324
0.1uF
C9318
100p
C9319
100p
R9301 4.7
R9332
33k
C9325 1u
R9333
1k
R9329
0
1
2
3
4
5
6
J2006B
To MCU J2006A
1
2
3
4
5
6
J2005B
To MCU J2005A
R9335
N.I.
R9334
N.I.
1
2
3
J9006B
TO CONN#1 J9006A
1
2
3
4
J2008B
TO MCU J2008A
1
2
3
4
5
J9004B
TO CONN#1 J9004A/05A
C9326
0.01u
J9301
AGND
AGND
AGND
AGND
AGND
AGND AGND
AGND
DGND_V
AGND
AGND
DGND_V
+5V_V6
AGND
DGND_V
AGND
DGND_V
AGND
AGND
-12V_A
+5V_V6 +5V_V6
AGND
+12V_A
-12V_A
AGND
+12V_A-12V_A +5V_V6
AGND
V6_Y
V6_C
V6_V
V6_OPT
+5V_V6
HP_DET
MIC_BIAS
+12V_A
-12V_A
DGND_V
DGND_V
DGND_V
V6_L
AGND
V6_R
HP_R
HP_L
AGND
AGND
AGND
AGNDAGND
MP3_L
AGND
MP3_R
AGND
MIC
DGND_V
AGND

Other manuals for NAD T 775

Related product manuals