EasyManua.ls Logo

Napoleon Condo Pack - Page 97

Napoleon Condo Pack
128 pages
Print Icon
To Next Page IconTo Next Page
To Next Page IconTo Next Page
To Previous Page IconTo Previous Page
To Previous Page IconTo Previous Page
Loading...
33
IOM
W415-2288 / 08.29.19
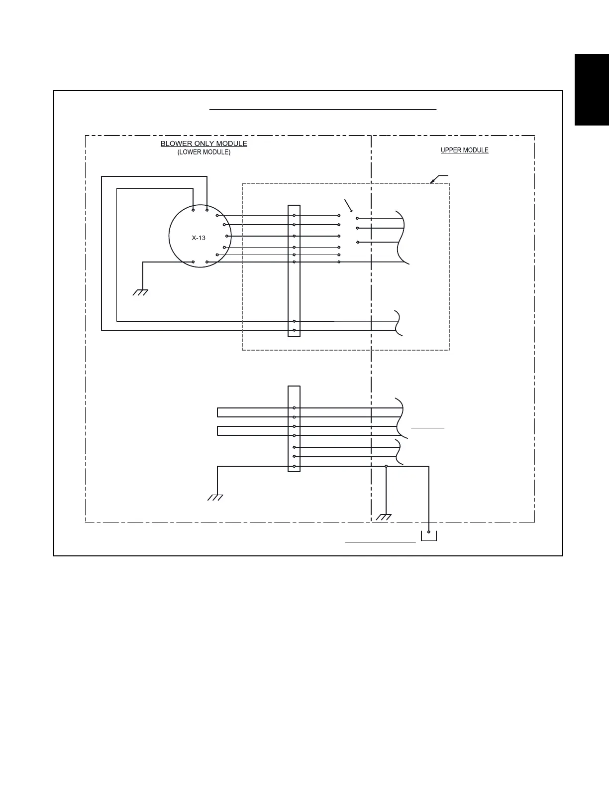
5.1.5.3 Schéma de câblage du ventilateur seul (module inférieur)
208/230 VAC
BL
R
L1
SEE NOTE 1
G
CONNECTOR
1
W
1
W
BK
R
C
G
1
ECM
BK
W
L1
GND
208/230 VAC
L1
L1
GG
L1/L2 LINE FEED AND RETURN
TO UPPER MODULE
W385-0979/A
208/230VAC
WIRING DIAGRAM / SCHÉMA DE CÂBLAGE
BL
Y
24V CONTROL SIGNAL
TO LOWER MODULE
24V CONTROL
SIGNAL TO
LOWER
MODULE
SEE CONTINUING DETAIL ON
UPPER MODULE WIRING
DIAGRAM /
VOIR LES DÉTAILS
SUR LE SCHÉMA DE CÂBLAGE
DU MODULE SUPÉRIEUR
L2
5
4
3
2
5
4
3
2
ECM X-13
MOLEX MOTOR
CONNECTIONS
5
4
3
2
L2
L2
L2

Table of Contents