EasyManua.ls Logo

NEC GT6000 - Making Connections; Connecting Your PC or Macintosh

NEC GT6000
117 pages
Print Icon
To Next Page IconTo Next Page
To Next Page IconTo Next Page
To Previous Page IconTo Previous Page
To Previous Page IconTo Previous Page
Loading...
2-13
v Making Connections
NOTE: When using with a notebook PC, be sure to connect between the projector and the notebook PC before turning on the power to the notebook PC. In most cases
signal cannot be output from the RGB output unless the notebook PC is turned on after connecting with the projector.
* If the screen goes blank while using your remote control, it may be the result of the computer's screen-saver or power management software.
* If you accidentally hit the POWER button on the remote control, wait 90 seconds (2 minutes in the optional extended life lamp GT60LPS) and then press the POWER
button again to resume.
When Viewing a DVI Digital Signal:
To project a DVI digital signal, be sure to connect the PC and the projector using a DVI-D signal cable (not supplied) before turning on your PC or
projector. Turn on the projector first and select DVI (DIGITAL) from the source menu before turning on your PC.
Failure to do so may not activate the digital output of the graphics card resulting in no picture being displayed. Should this happen, restart your PC.
Do not disconnect the DVI-D signal cable while the projector is running. If the signal cable has been disconnected and then re-connected, an image may
not be correctly displayed. Should this happen, restart your PC.
NOTE:
Use a DVI-D cable compliant with DDWG (Digital Display Working Group) DVI (Digital Visual Interface) revision 1.0 standard. The DVI-D cable should be within 5 m
(196") long.
The DVI (DIGITAL) connector accepts VGA (640x480), SVGA (800x600), 1152x864, XGA (1024x768) and SXGA (1280x1024 @ up to 60Hz).
USB A USB B PC CARD
PC CONTROL
IN
IN
1
2
OUT
OUT
SC TRIGGER REMOTE 2
REMOTE 1
LAN
AC IN
AUDIO
AUDIO
AUDIO OUT
R
R/Cr
G/Y
B/Cb
V
H/
HV
R
L/MONO
R
L/MONO
R
L/MONO
L/MONO
SLOT 1 SLOT 2
DVI
RGB OUT
RGB 1
RGB 2
VIDEO S-VIDEO
PHONE
PHONE
DVI
RGB 1
RGB 2
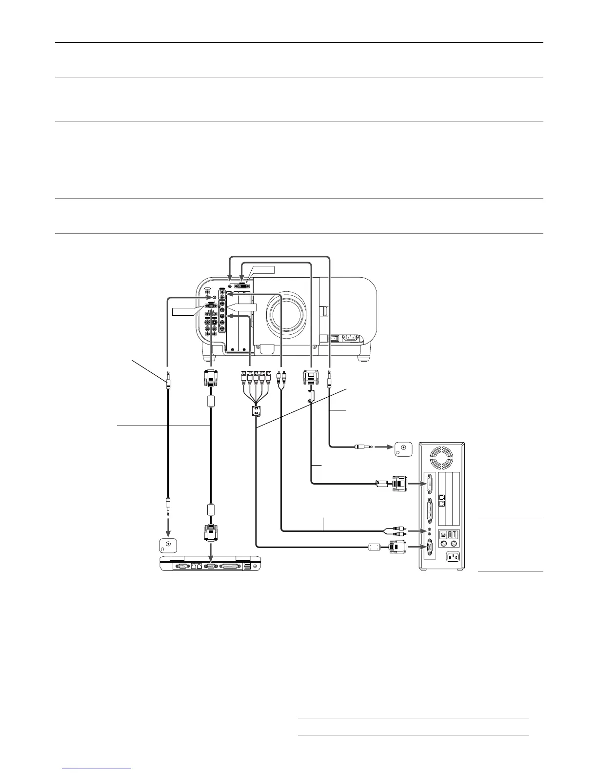
Connecting Your PC or Macintosh Computer
Audio cable (not supplied)
IBM VGA or Compatibles (Notebook type)
or Macintosh (Notebook type)
IBM PC or Compatibles (Desktop type)
or Macintosh (Desktop type)
RGB signal cable
(not supplied)
To mini D-Sub 15-pin connec-
tor on the projector.
NOTE: For older
Macintosh, use a com-
mercially available pin
adapter (not supplied)
to connect to your
Mac's video port.
Connecting your PC or Macintosh computer to your projector will en-
able you to project your computer's screen image for an impressive pre-
sentation.
To connect to a PC or Macintosh, simply:
1. Turn off the power to your projector and computer.
2. Use a commercially available signal cable to connect your
PC or Macintosh to the projector.
3. Turn on the projector and the computer.
4. If the projector goes blank after a period of inactivity, it may
be caused by a screen saver installed on the computer you've
connected to the projector.
Connecting to RGB 1 IN connectors (BNC)
Use a BNC5 cable (not supplied) to connect your PC and the RGB 1
IN connectors on your projector.
Connecting to RGB2 IN connector (D-Sub 15 Pin)
Use an RGB signal cable (not supplied) to connect your PC and the
RGB2 IN connector on your projector.
Connecting Your PC with a DVI Connector
Use a DVI-D signal cable (not supplied) to connect a DVI connector of
your PC to the projector.
NOTE: The GT6000/GT5000 is not compatible with video decoded outputs of
either the NEC ISS-6020 and ISS-6010 switchers.
DVI-D cable with ferrite core
(not supplied)
Audio cable (not supplied)
Audio cable (not supplied)
2. Installation
BNC
5 cable (not supplied)

Table of Contents

Related product manuals