EasyManua.ls Logo

Necta Colibri Espresso - Programming Menu

Necta Colibri Espresso
47 pages
Print Icon
To Next Page IconTo Next Page
To Next Page IconTo Next Page
To Previous Page IconTo Previous Page
To Previous Page IconTo Previous Page
Loading...
© by NECTA VENDING SOLUTIONS SpA
31
09-2003 228 00
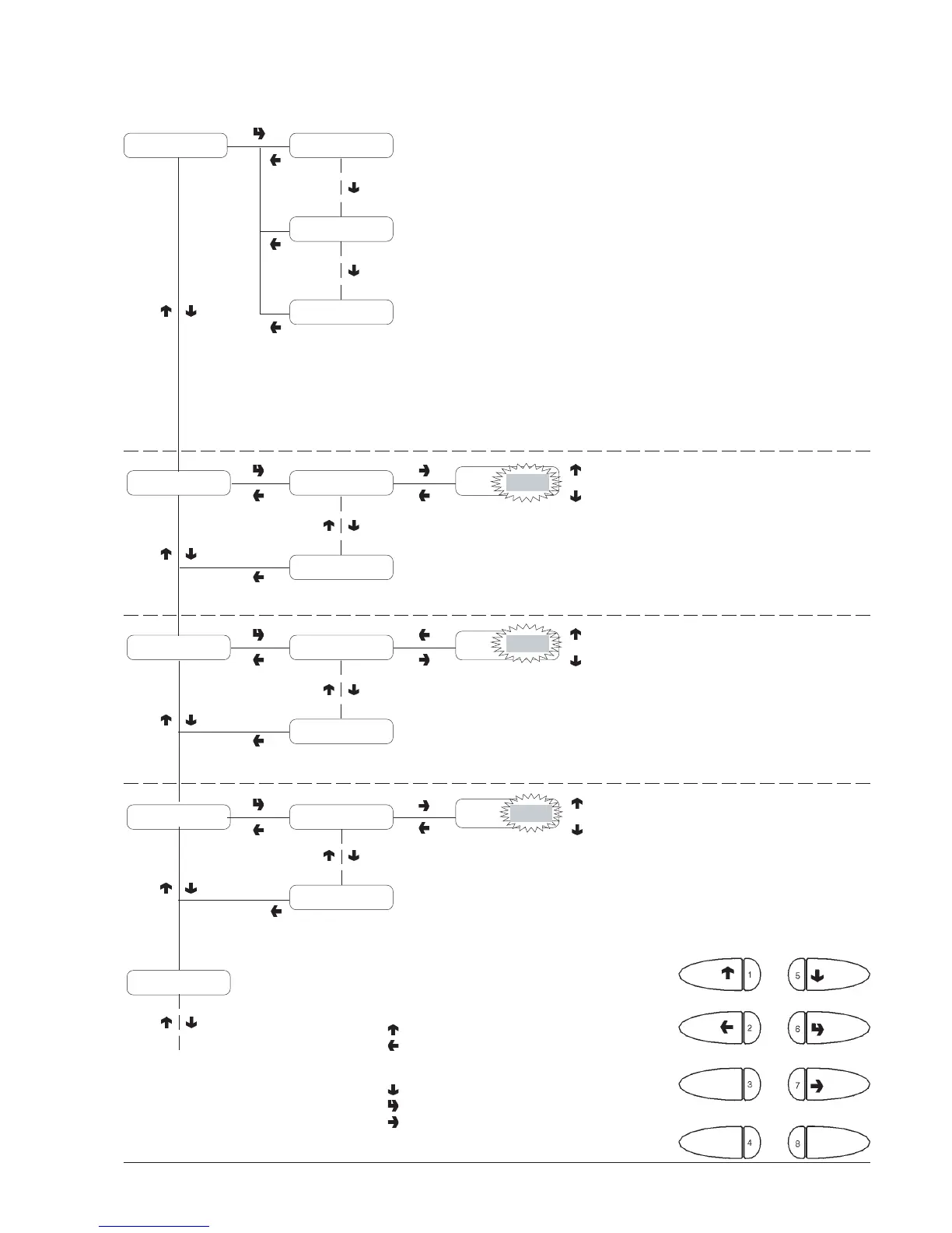
DISPLAY PRESENT
FAILURES
WATER DOSES
Refer to the selection dose
table for the correspondence
between dose code and
water dose
PRICE VALUE
Failure list Air-Break failure
Liquid waste full
xxxxxxxx
LIST OF FAILURES
N. 1 - Air-break
N. 2 - Boiler
N. 3 - Coin mechanism
N. 4 - RAM data
N. 5 - Water empty failure
N. 6 - Water leak
N. 7 - Volumetric counter
N. 8 - Coffee unit
N. 9 - Coffee empty failure
N. 10 - Coffee release
N. 11 - Liquid waste full
N. 12 - Water failure
* N. 13 - Changer
* N. 14 - Bill validator
* N. 15 - Cashless
* MDB only
Dose C1 = XXXX
Dose A1 = XXXX
Water doses
Price 1 = XXXX
Price 8 = XXXX
Set Prices
Set Prices/Buttons
POWDER DOSES
Refer to the selection dose
table for the correspondence
between dose code and
powder dose
Dose C1 = XXXX
Dose A2 = XXXX
Powder doses
"Programming" menu
C1 =
XXXX
C1 =
Price n.1
XXXX
XXXX + 1
XXXX - 1
XXXX + 1
XXXX - 1
XXXX + 1
XXXX - 1
1 - Previous function / Increase data unit (+1)
2 - Exit function / Cancel change
3 - Machine installation
4 -
5 - Next function / Decrease data unit (- 1)
6 - Confirm function / Confirm data unit
7 - Change data item
8 - Reset failures
XXXX

Table of Contents

Related product manuals