EasyManua.ls Logo

Necta Colibri Espresso - Page 37

Necta Colibri Espresso
47 pages
Print Icon
To Next Page IconTo Next Page
To Next Page IconTo Next Page
To Previous Page IconTo Previous Page
To Previous Page IconTo Previous Page
Loading...
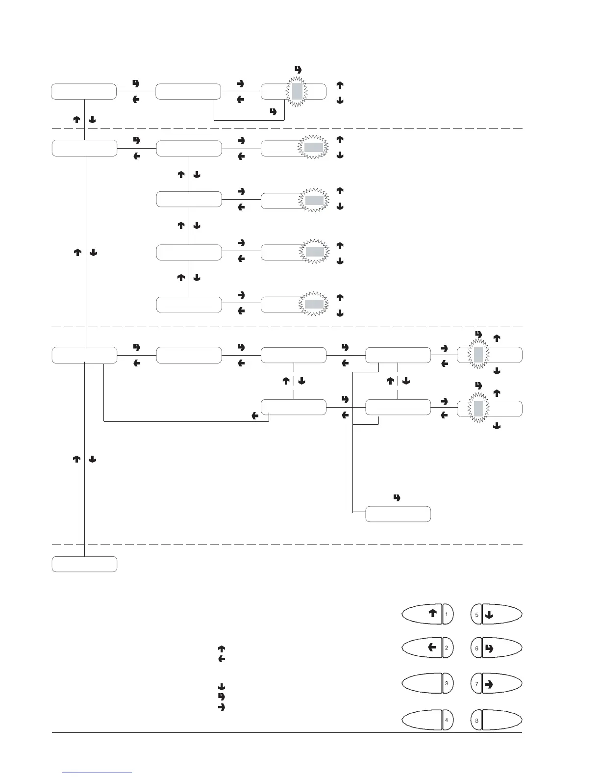
"Programming" menu
© by NECTA VENDING SOLUTIONS SpA
09-2003 228 00
34
1 - Previous function / Increase data unit (+1)
2 - Exit function / Cancel change
3 - Machine installation
4 -
5 - Next function / Decrease data unit (- 1)
6 - Confirm function / Confirm data unit
7 - Change data item
8 - Reset failures
Code = 0000 Cod = 000
Machine identification code
Fast cycles ON Fast cycles
Password ####
Espresso coffee
Instant
P =nnnn;A=nnnn
P =nnnn;A=nnnn
P = nnn;A=nnnn
Upon entering the 4th digit the new
value is confirmed
P = N. of programmed selections
A = N. of selections made
P = nnn;A=nnnn
X
Confirm?
Resetting counters of selections
made
8
Eq. cabinet
Warning device for full liquid
waste container in the
cabinet
X
X
X + 1
X - 1
ON
OFF
ON
OFF
X - 1
X + 1
X - 1
X + 1
Prom. message
Selection counter
Machine Config.
Machine code
Tank OFF Tank
ON
OFF
Water supply from the
mains
Coffee tray ON Coffee tray
ON
OFF
The password is
4231
MACHINE CODE
MACHINE
CONFIGURATION
Equip'd cabinet OFF
OFF
OFF
OFF
OFF

Table of Contents

Related product manuals