EasyManua.ls Logo

Necta Colibri - Page 39

Necta Colibri
52 pages
Print Icon
To Next Page IconTo Next Page
To Next Page IconTo Next Page
To Previous Page IconTo Previous Page
To Previous Page IconTo Previous Page
Loading...
© by NECTA VENDING SOLUTIONS SpA
35
0012 Colibrì
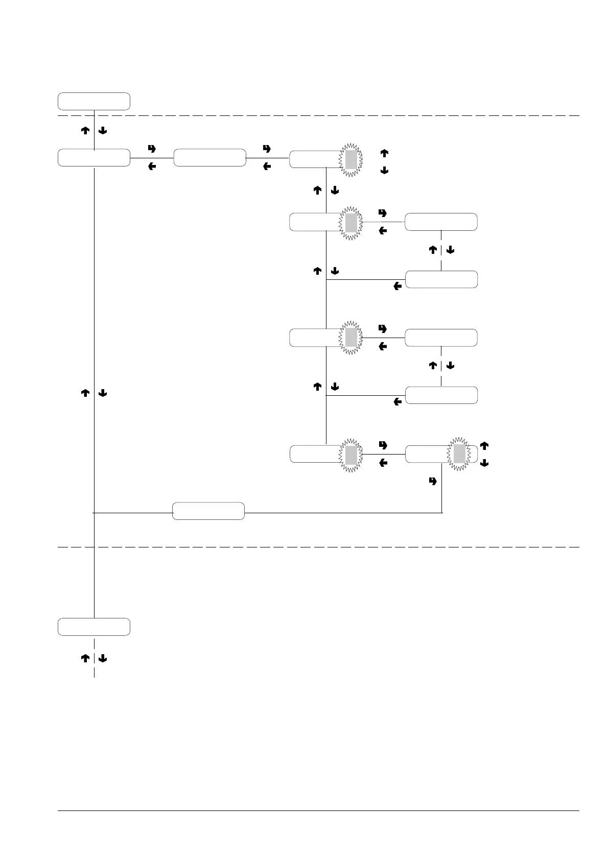
Programming menu
Initialising Confirm?
Tank
Payment system
Machine type
C - Espresso
I- Instant
Tank
Type of doses for:
Italy
France
Spain
Great Britain
Machine code
Working
List of layouts available per
model/country.
See selection dose table
Water supply from tank /
mains
Country
Layout n
Layout 1
Country
Country
ON
ON
OFF
C
I
C
Layout
ON
1
it

Table of Contents

Other manuals for Necta Colibri

Related product manuals