EasyManua.ls Logo

Necta Colibri - Page 40

Necta Colibri
52 pages
Print Icon
To Next Page IconTo Next Page
To Next Page IconTo Next Page
To Previous Page IconTo Previous Page
To Previous Page IconTo Previous Page
Loading...
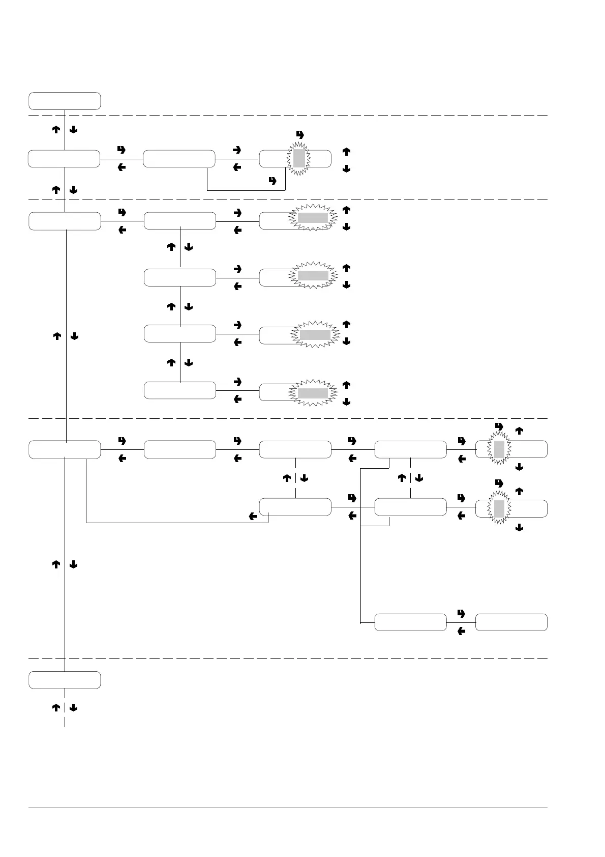
Programming menu
© by NECTA VENDING SOLUTIONS SpA
0012 Colibrì
36
Code = 0000 Code = 000
Machine identification code
Cup release Cup
Dispensing without cups
Mixer heating
Heating
Dispensing water before a
coffee selection (Instant
models only)
Password ####
Espresso coffee
Instant
P =nnnn;A=nnnn
P =nnnn;A=nnnn
P = nnn;A=nnnn
After entering 4th digit confirm new
value
P = Programmed number of selec-
tions
A = Number of selections made
P = nnn;A=nnnn
X
Cancel Confirm?
Reset counters of selections
made
8
Equipped cabinet
Cabinet
Warning device for full
liquid waste container in
the cabinet
X
ON
OFF
OFF
X
X + 1
X - 1
ON
OFF
ON
OFF
ON
OFF
X - 1
X + 1
X - 1
X + 1
Prom. message
Selection counter
Machine Config.
Machine code
Initialising
Tank Tank
OFF
ON
OFF
Water supply from the
mains

Table of Contents

Other manuals for Necta Colibri

Related product manuals