EasyManua.ls Logo

NeoQi Pro - Page 17

NeoQi Pro
69 pages
Print Icon
To Next Page IconTo Next Page
To Next Page IconTo Next Page
To Previous Page IconTo Previous Page
To Previous Page IconTo Previous Page
Loading...
17
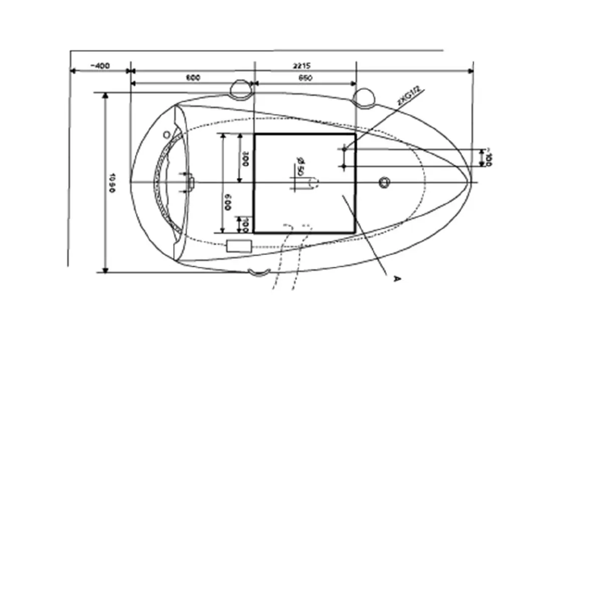
Figure 1
Legend for Figure 1
A- area for the closable water inputs and for the water outlet 50 mm on the same level with
the floor. Area for the mains cable 3x2,5 mm² with free cable-end of minimum 2,0 m and the
earth-connection cable 4mm² with free cable-end of minimum 2,0 m