EasyManua.ls Logo

Nordic Semiconductor nRF52 - Page 14

Default Icon
38 pages
Print Icon
To Next Page IconTo Next Page
To Next Page IconTo Next Page
To Previous Page IconTo Previous Page
To Previous Page IconTo Previous Page
Loading...
Hardware description
C18
100nF
C17
1.0µF
C16
1.0µF
Vin
GND
Vout
U3
VDD
R6
N.C.
SB9
VDD_nRFVBUS
SB10
TP14
Power switchVoltage regulator nRF current measurementReverse voltage protection
VBUS'V5V
TP12
TP13
Instrument ground
1
2
P21
Pin List 1x2, Angled
1
2
P22
Pin List 1x2, Angled
+
Bat1
Bat Holder CR2032
VREG_IN
VBUS'
VIO
SB35
VREG_OUT
VIN
A2
VOUT
A1
CTRL
B2
GND
B1
U11
TCK106AG
R48
1M0
VSUPPLY
VSUPPLY
R47
1M0
VSUPPLY
VEXT_DETECT
R46
1M0
VSUPPLY
SB34
SB33
R60
1M0
R44
33k
R45
47k
VBUS'
VREG_DETECT
VEXT_DETECT
USB_DETECT
C56
100nF
VSUPPLY
VSUPPLY
VEXT_DETECT
VBAT
C57
100nF
VSUPPLY
SB12
R49
100k
Q4A
Q4B
Q5A
Q5B
Q3A
Q3B
R50
220k
R51
220k
D7
D1
GND
VCC
U12
NC7SV11L6X
GND
VCC
U13
NC7SV11L6X
VREG_DETECT
VREG_DETECT
AP7333-33
LDO
3.3V-300mA
VBUS'
NT1
VBUS_IMCU
SW6
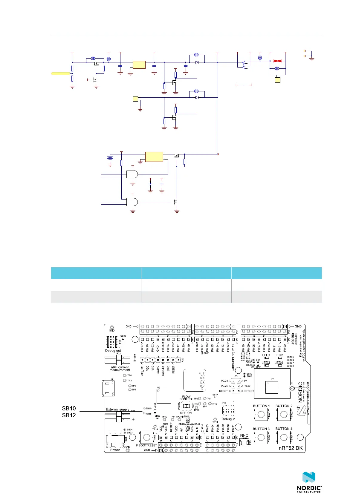
Figure 8: Power supply circuitry
The reverse voltage protection diodes for the regulator and external supply add a voltage drop to the
supply voltage of the circuit. To avoid this voltage drop, the diodes can be bypassed by shorting one or
more solder bridges.
Power source Protection bypass Voltage level
USB SB10 3.3 V
External supply SB12 1.7 V to 3.6 V
Table 2: Protection diode bypass solder bridges
Figure 9: Protection diode bypass solder bridges
4397_500
14

Related product manuals