EasyManua.ls Logo

NorthStar EXPLORER 550 - 15-9 NMEA Instrument Connection

Default Icon
68 pages
Print Icon
To Next Page IconTo Next Page
To Next Page IconTo Next Page
To Previous Page IconTo Previous Page
To Previous Page IconTo Previous Page
Loading...
Northstar EXPLORER 550/550i Installation and Operation Manual
58
Receive data from an optional GPS or
GPS/DGPS source.
Send data to optional Northstar instruments,
for example to a repeater.
During setup for NavBus instruments, set NavBus
to
and assign the instrument a NavBus group
number (see section 14-9)
If an alarm sounds, mute it by clearing the
alarm on any instrument which can display
that alarm.
NavBus and the EXPLORER
The EXPLORER can:
Display wind speed and direction from an
optional Northstar Wind instrument.
Receive and display depth from an optional
Northstar depth instrument.
Receive and display boat speed and water
temperature from a paddlewheel sensor on an
optional Speed instrument.
Receive barometric pressure from an optional
Northstar VHF radio. The EXPLORER can
display:
Baro: barometric pressure
Baro history: barometer history
Weather: a predication, based on changes in
barometric pressure
Fish forecaster: a prediction based on
changes in barometric pressure
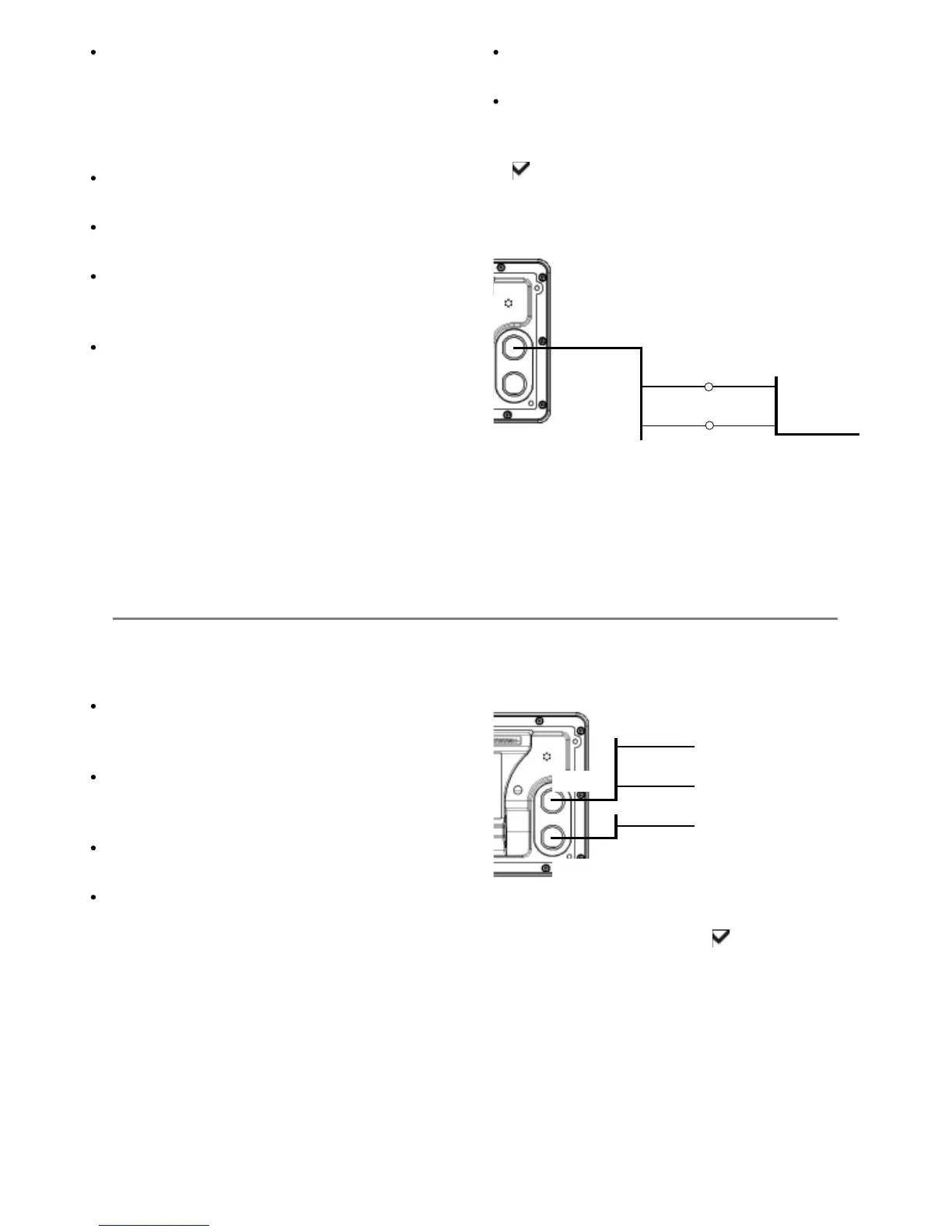
Black
Power/data cable
Orange
Blue
NavBus wires
to other Navbus instruments
For information on sending NMEA data to the
EXPLORER, see your Northstar dealer.
NMEA is an industry standard for interconnecting
instruments. It is not as flexible or as easy to install
as NavBus. The EXPLORER can:
Receive and display wind speed and
direction from an optional compatible wind
instrument.
Receive and display depth, paddlewheel
boat speed and water temperature from an
optional compatible instrument.
Receive data from an optional compatible
GPS or GPS/DGPS source.
Send GPS position and other navigation
data to an autopilot or other instrument.
An autopilot requires APB, APA and VTG
sentences (see section 14-9).
Black
Power/data cable
White
White NMEA out
Black NMEA ground
White NMEA in
15-9 Installation: Other NMEA instruments
During setup to send NMEA data to other
instruments, set NMEA out to
and specify the
NMEA data to send (see section 14-9).

Table of Contents

Related product manuals