EasyManua.ls Logo

NUVE NF 800 - Section 10; Warning Label

Default Icon
24 pages
Print Icon
To Next Page IconTo Next Page
To Next Page IconTo Next Page
To Previous Page IconTo Previous Page
To Previous Page IconTo Previous Page
Loading...
22
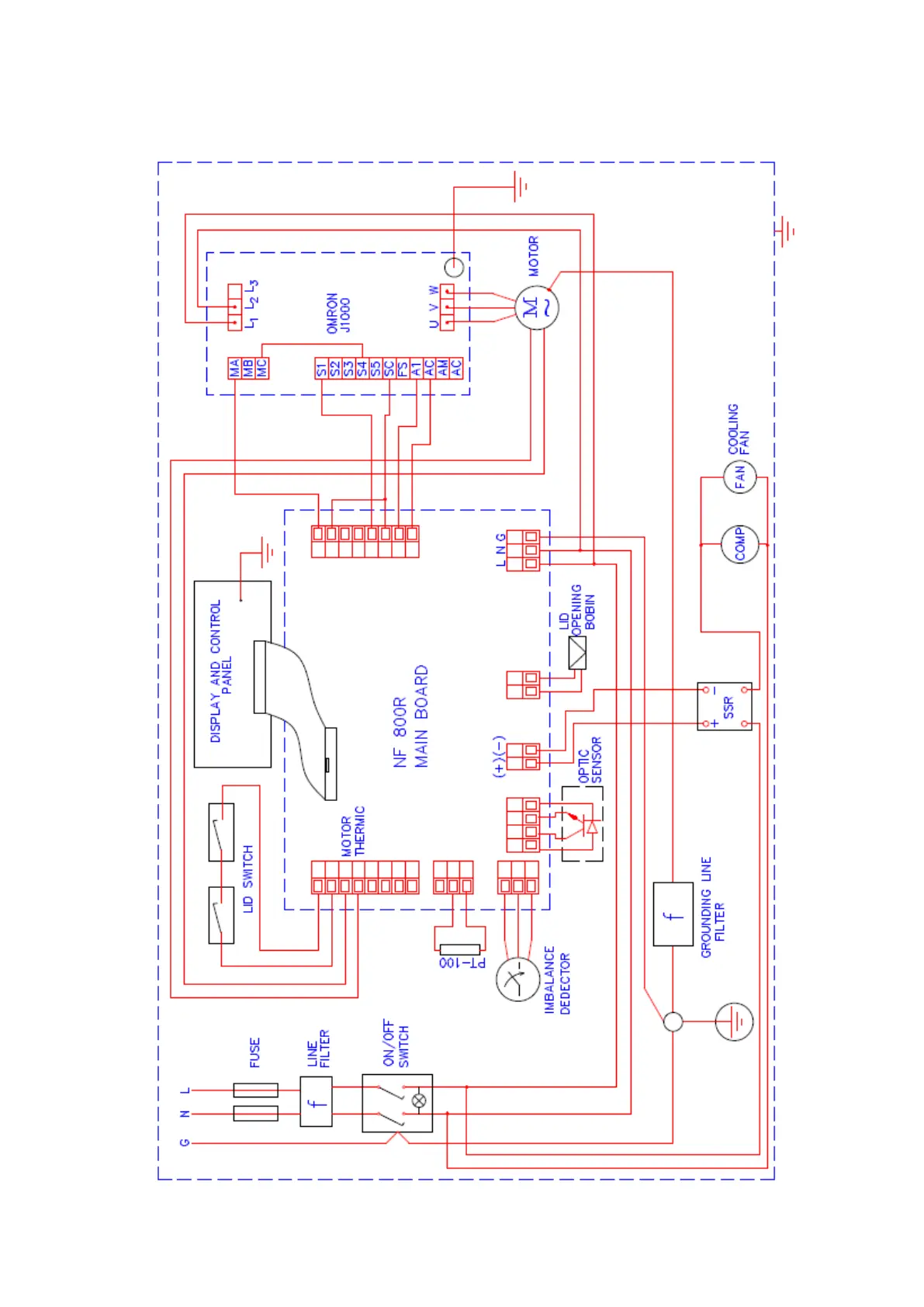
10.2 ELECTRICAL CIRCUIT DIAGRAM OF NF 800 R

Related product manuals