EasyManua.ls Logo

NXP Semiconductors MPC5746R - Page 42

NXP Semiconductors MPC5746R
54 pages
To Next Page IconTo Next Page
To Next Page IconTo Next Page
To Previous Page IconTo Previous Page
To Previous Page IconTo Previous Page
Loading...
MPC5746R Hardware Design Guide, Rev. 1
Example Communication Peripheral connections
NXP Semiconductors42
Control
1kŸ
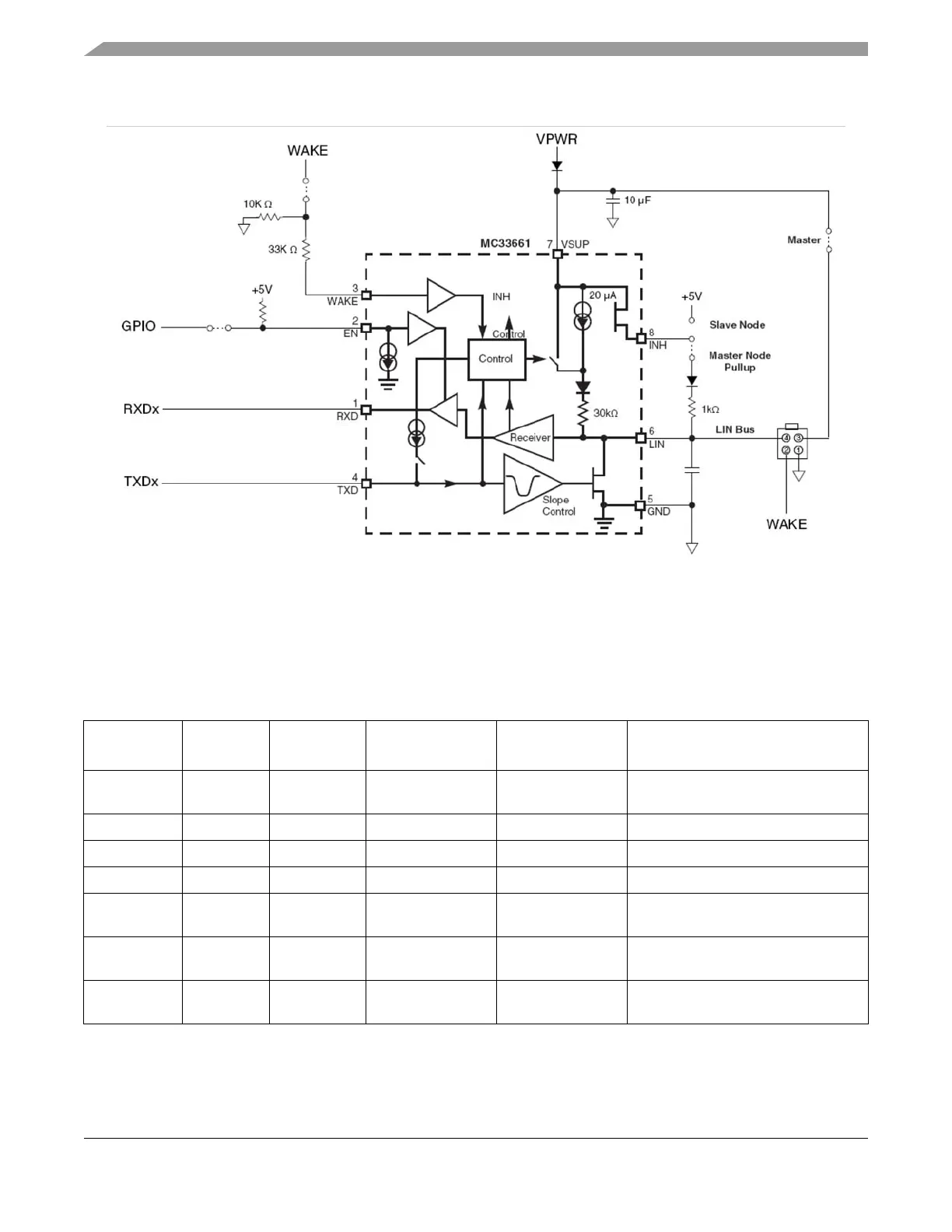
Figure 28. Typical LIN connections
Table 20 below shows the pins of the MC33661 and their typical connections to a MCU.
Table 20. MC33661 Pin Definitions and Example System Connections
Pin Number Pin Name Pin Direction Full Pin Name
MCU or System
Connection
Description
1 RXD Output
Receive Data
Output
MCU LIN RXD
LIN receive data output to the MCU.
2 EN Input Enable Control MCU GPIO Enable operation of the device.
3 Wake Input Wake Input LIN Bus Wake
1
Enables the device out of sleep mode.
4 TXD Input Transmit Data Input MCU LIN TXD LIN transmit data input from the MCU.
5 GND Input Ground
System Ground
Reference
Device ground reference.
6 LIN Input/Output LIN Bus LIN Bus
Bi-directional pin that represents the
single-wire transmit and receive.
7 VSUP Input Power Supply
Protected Battery
Voltage
Device power supply, typically
connected to a nominal 12 V supply.

Other manuals for NXP Semiconductors MPC5746R

Related product manuals