EasyManua.ls Logo

Olimpia splendid B0873 - Page 37

Olimpia splendid B0873
Print Icon
To Next Page IconTo Next Page
To Next Page IconTo Next Page
To Previous Page IconTo Previous Page
To Previous Page IconTo Previous Page
Loading...
Bi2 Air AR
N
L
H20
B0151
+V10-
H2O
CFG
N
230V
50Hz
F
Y1
S1
J1
M1
LOCK
FANCOIL
LED
SW1
M2
H2O
*
*
*
H
ENGLISH
EN - 17
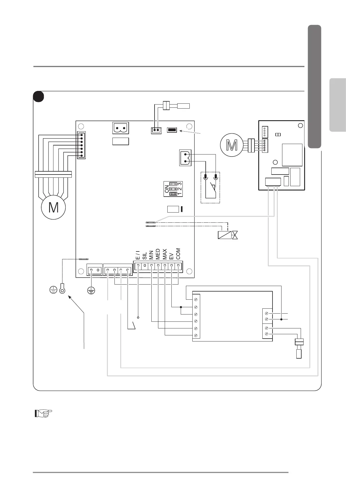
To the ground connec-
tion of the fan coil
6.2 - For connections with wall thermostat model B0151
Open
For the key of the terminal box and the alarms: see page 18
WITH FLAP

Table of Contents