EasyManua.ls Logo

omi ED 270 - Page 65

Default Icon
Print Icon
To Next Page IconTo Next Page
To Next Page IconTo Next Page
To Previous Page IconTo Previous Page
To Previous Page IconTo Previous Page
Loading...
Cod. 710.0138.01.00 Rev1C – 09.2009
63 - 75
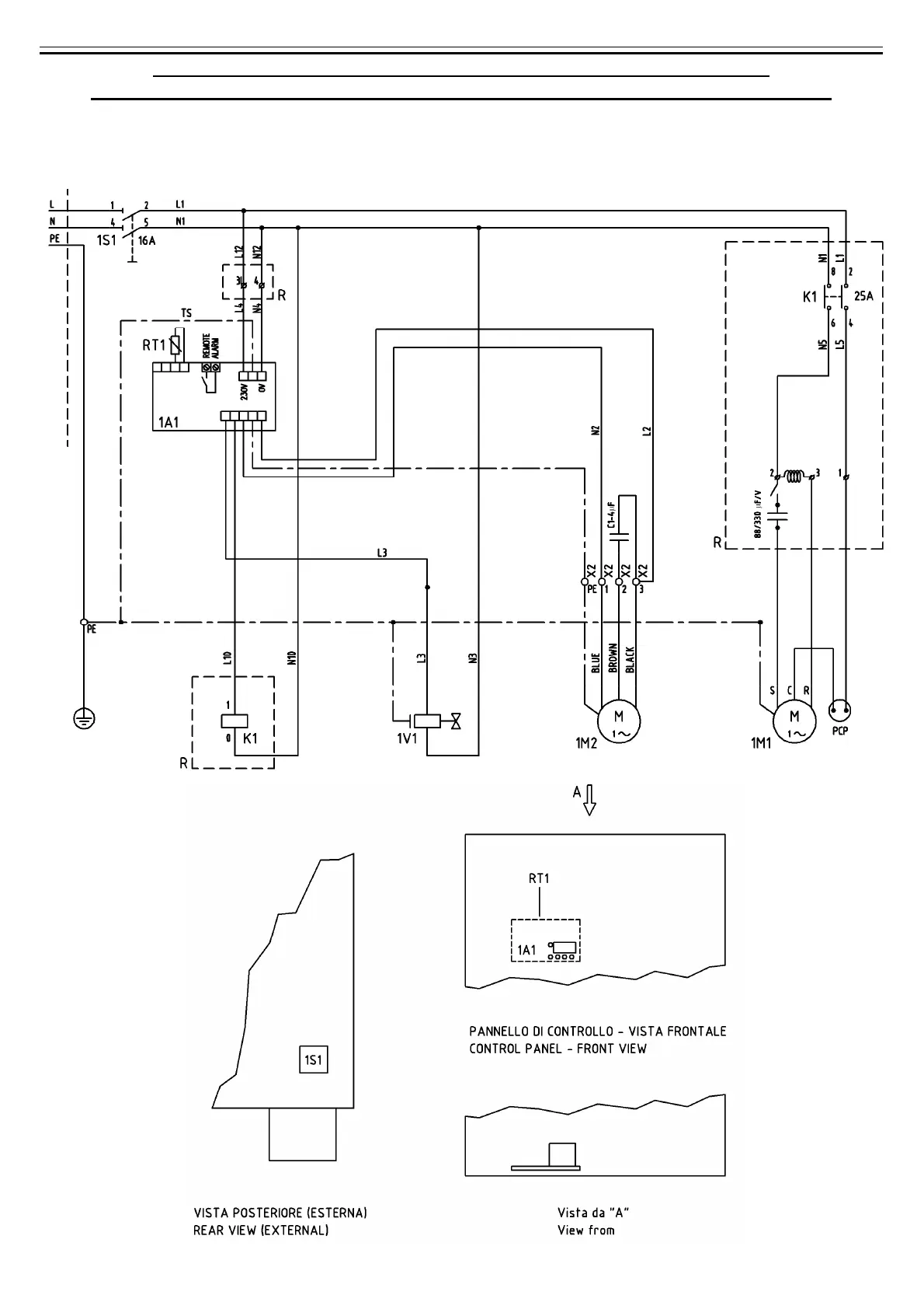
B) SCHEMA ELETTRICO - WIRING DIAGRAM - SCHALTSCHEMA
ESQUEMA ELECTRICO - SCHEMA ÉLECTRIQUE - ЭЛЕКТРИЧЕСКАЯ СХЕМА
Mod. 270 Nm3/h (Mod. 4500 Nl/min)
(230V/1Ph/60Hz)
Cod. 714.0163.08.00 – Rev. 00

Table of Contents

Related product manuals