EasyManua.ls Logo

Omron V7 - Page 114

Omron V7
162 pages
Go to English
Print Icon
To Next Page IconTo Next Page
To Next Page IconTo Next Page
To Previous Page IconTo Previous Page
To Previous Page IconTo Previous Page
Loading...
IT-19
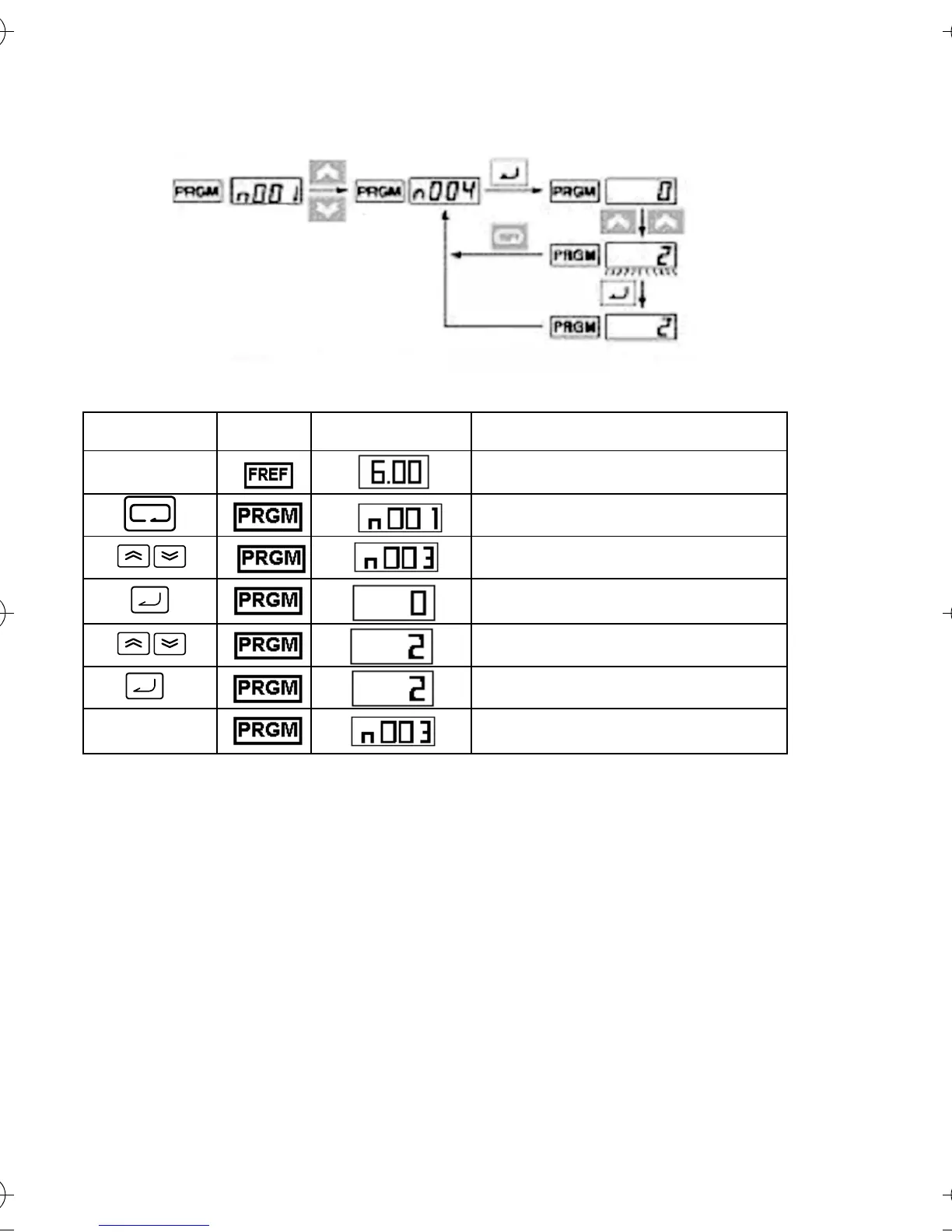
Esempio di impostazioni dei parametri
Nota 1: per cancellare il valore impostato, premere il tasto di selezione modalità. Verrà visualizzato il
numero del parametro.
Nota 2: alcuni parametri non possono essere modificati mentre l'inverter è in funzione. Fare
riferimento all'elenco dei parametri. Se si cerca di modificare tali parametri, il valore visualizzato non
cambia nonostante venga premuto il tasto di incremento o decremento.
Sequenza
tasti
Spia Esempio di
visualizzazione
Spiegazione
Accensione
Premere ripetutamente il tasto di selezione modalità
fino all'accensione della spia PRGM.
Premere il tasto di incremento o decremento per
impostare il numero del parametro.
Premere il tasto di invio.
Viene visualizzata l'impostazione del parametro
selezionato.
Utilizzare il tasto di incremento o decremento per
impostare i dati mentre il display lampeggia.
Premere il tasto di invio per memorizzare il valore
impostato e visualizzarlo sul display (vedere nota 1).
Dopo circa
1 s
Viene visualizzato il numero del parametro.
Dopo circa 1 s
Il valore impostato
viene cancellato
I43-EN-01+V7+Quick_Guide.book Seite 19 Dienstag, 25. April 2006 8:56 08

Other manuals for Omron V7

Related product manuals