EasyManua.ls Logo

Omron VARISPEED F7 - Page 15

Omron VARISPEED F7
367 pages
Print Icon
To Next Page IconTo Next Page
To Next Page IconTo Next Page
To Previous Page IconTo Previous Page
To Previous Page IconTo Previous Page
Loading...
XIV
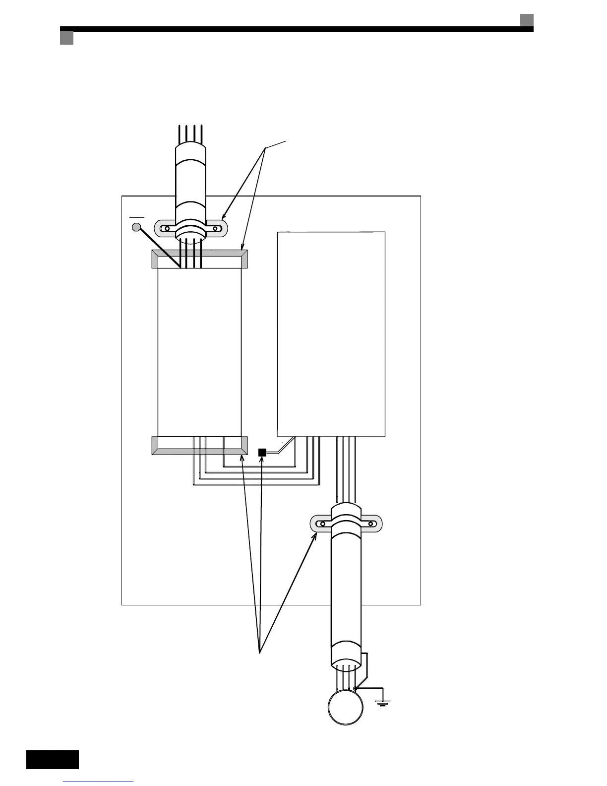
Installation des variateurs et des filtres CEM
L1 L3
L2
3~
M
U
PE
L1
L2
L3
V
W
PE
Filtre
Onduleur
Ligne
Charge
Liaisons de base
(enlever toute trace de peinture)
Longueur de
câble aussi
courte que
possible
Plaque
métallique
Câble de
moteur
affiché
PE
PE
Liaisons de base
(enlever toute trace de peinture)

Table of Contents

Other manuals for Omron VARISPEED F7

Related product manuals