EasyManua.ls Logo

Onkyo TX-SR500/E - Block Diagram 1

Onkyo TX-SR500/E
44 pages
Print Icon
To Next Page IconTo Next Page
To Next Page IconTo Next Page
To Previous Page IconTo Previous Page
To Previous Page IconTo Previous Page
Loading...
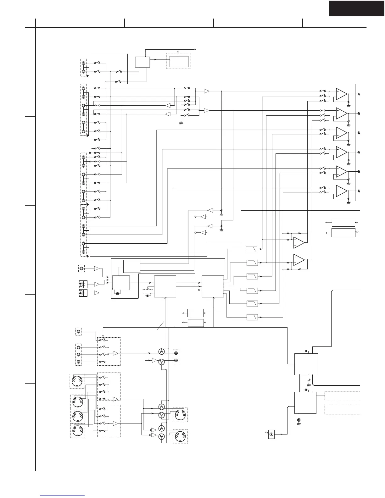
TX-SR500/E
BLOCK DIAGRAM 1
RN1441
INPUT GAIN
0/6dB
INPUT GAIN
0/6dB
INPUT GAIN
0/6dB
INPUT GAIN
0/6dB
INPUT GAIN
0/6dB
INPUT GAIN
0/6dB
OPAMP
10.5dB
O
P
A
M
P
73
74
NC
NC
VIDEO3
CD
TAPE-1 IN
TAPE-1 OUT
VIDEO-1 OUT
VIDEO-1 IN
VIDEO-2 IN
P
DVD
MLS/MRS
C/SW
BACK UP
STANDBY
S
S
INPUT ATT
-6DB
50KLPF
SW
50KLPF
C
50KLPF
SR
50KLPF
SL
50KLPF
R
50KLPF
L
AK4586
96/24
2CH A/D
(1/2)
AK4586
DIR
1
1
1
1
-1
1
-1
1
UPD784225
AGC
SUBMICRO
PROCESSOR
UPD780232
GC-8BT
CS493264
DSP
CS493293
(MJJ ONLY)
AK4586
96/24
6CH D/A
OPTICAL 2
OPTICAL 1
REMOTE
SENSOR
COMPOSITE VIDEO INPUT
VIDEO2
VIDEO1
DVD
12.5MHZ
5MHZ
12.288MHZ
12.288MHZ
COMPOSITE VIDEO OUT
MONITOR OUT
VIDEO 1
+5V
+5V
-
+
+7V
BD3811
-7V
BD3811
+2.5V
DSP
+3.3V
MEMORY
OSC
COAXIAL
VIDEO3
YC
S-VIDEO OUTPUT
MONITOR OUT
YC
VIDEO 3
YC
VIDEO 2
YC
S-VIDEO INPUT
VIDEO 1
YC
VIDEO 1
YC
DVD
9.97K
10K
10K
9.97K
10K
10K
80
79 78
77
2
69
1
72
66
71
4
3
43
6
5
40
8
7
30
76
75
33
10
9
23
21
26
25
28
27
24
22
12
18
11
14
20
13
16
15
17
19
RST.CS.INTREQ
/CL/DA/SCDO
RST.CS/CL/DA
/CDTO/INT1.2.
CTLA/B
VMUT2
VMUT1
0dB
LA7956
LA7956
LA7956
AK4586
BD3811K1
FL DISPLAY
KEY
0dB
0dB
6dB
6dB
6dB
MAIN
MICRO
PROCESSOR
To/From Main Microrocessor
FM/AM
TUNER
PACK
BU1923
RDS
DECODER
MPP MODEL ONLY
A
1
2
3
4
5
BCD
7

Related product manuals