EasyManua.ls Logo

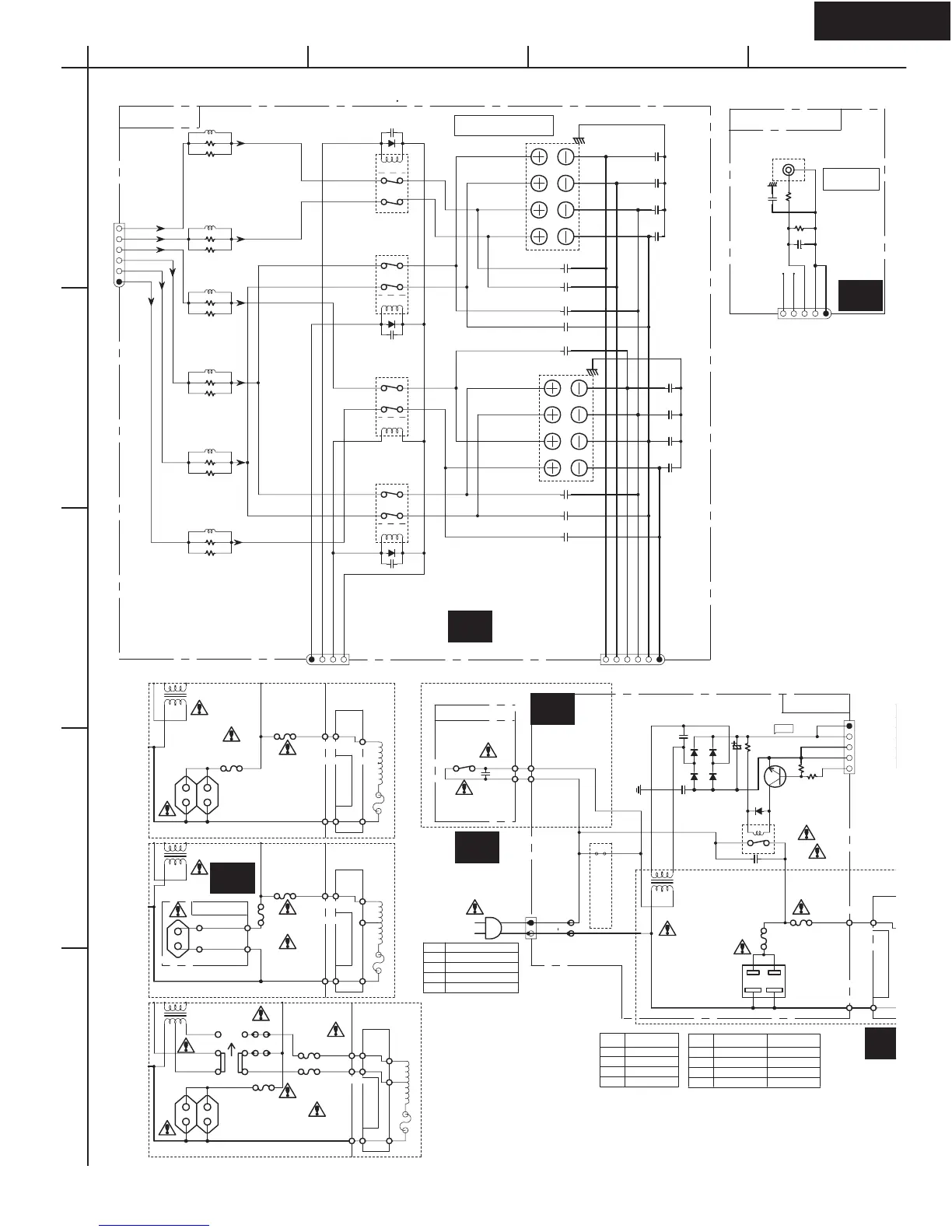
Onkyo TX-SR601/E - Schematic Diagram 5: Power Supply and Speaker Terminal Sections (Continued)

Onkyo TX-SR601/E
81 pages
Print Icon
To Next Page IconTo Next Page
To Next Page IconTo Next Page
To Previous Page IconTo Previous Page
To Previous Page IconTo Previous Page
Loading...
TX-SR601/E
SCHEMATIC DIAGRAM 5 Power supply and speaker terminal sections
P6813
15V
P6803
FL
FR
ZONE2 L
ZONE2 R
P6802
C
SL
SR
SB
JL6805B
TO NAAF-7966
(SCH-4)
JL6803B
TO NAAF-7966
(SCH-4)
JL6804B
TO NAAF-7966
(SCH-4)
RL6600
RL6601
RL6604
RL6603
L6805
S1.3C
L6801
S1.3C
L6804
S1.3C
L6803
S1.3C
L6802
S1.3C
L6800
S1.3C
P902
AC OUTLET
TOTAL 100W MAX
P902
AC OUTLETS
TOTAL 100W MAX
*PA TYPE 1P ONLY
P902
AC OUTLETS
TOTAL 100W MAX
*WR TYPE 1P ONLY
P902
AC OUTLETS
D: TOTAL 120W
1A MAX
E921
JL5802C
TO NAAF-7984
(SCH-3)
T901
THERMAL FUSE
T901
THERMAL FUSE
T901
THERMAL FUSE
S902
VOLTAGE
SELECTOR
220V
120V
S906
POWER
P901
T902
D TYPE
SEE LEFT DIAGRAM
FOR OTHER TYPE
T902
P TYPE
T902
G TYPE
T902
W TYPE
P901A
AC-H
AC-G
Q921
KTC3199-GR
2SC1740S-R,S
2SC2458-GR
P912
A
P911
A
P918A
P917A
P915
P916
P917
P918
P911
P912
P922
P922A
P921A
P926A
P925A
P926
P925
P921
P913
P912
P912A
P911A
P911
P913
P913A
P911A
P911
P912
P912A
P913A
P911A
P911
C922
220/35
F903
5A/125V
*
F903
T2.5AL250V
F901
*
F903
T2.5AL250V
F902
*
F902
*
F903
T2.5AL250V
F901
*
F902
*
R6931
100
R6932
22K
R6805
22
R6815
22
R6801
22
R6811
22
R6804
22
R6814
22
R6803
22
R6813
22
R6802
22
R6812
22
R6800
22
R6810
22
R923
1K
R922
10K
R924
68
(1/2W)
C6884
102J
J913
D/PA TYPE ONLY
D925
1SS133
OR 1SS270A
D922
D921
D924
D923
D921-D924
GP104003E OR
RL1N4003
D6604
D6601
D6600
C6857
102J
C6851
102J
C6850
102J
C6856
102J
C6883102J
C902
472M
/250VAC
C901
103M
/275VAC
C921
223Z
C923
102J
C6840
103J
C6841
103J
C6855
102J
*
C6852
102J
*
C6854
102J
*
C6853
102J
*
C6604
103Z
C6601
103Z
C6842
103J
C6845
103J
C6844
103J
C6843
103J
C6847
103J
C6846
103J
C6600
103Z
RL901
P931A
TO NNAF-7966
(SCH-3)
NF-FL
NF-FR
NF-C
NF-SL
NF-SR
NF-SB
Z2RPO
Z2LPO
SWPO
AGND
AGND
Z2RLD
FRLD
CSRLD
+24V
LSPE
RSPE
CSPE
LSSPE
RSSPE
SBSPE
+13VS
+13VS
MPUGND
MPUGND
POWER
FUSE
TYPE F901 F902
D 10A/125V NO
P NO T5AL250V
G NO T5AL250V
W 10A/125V
T5AL250V
T902
TYPE
D NPT-1358D
P NPT-1358P
G NPT-1358DG
W
NPT-1358DG
TYPE AC
D 120V,60HZ
P 230V,50HZ
G 220V,50HZ
W 120V/220V 50/60HZ
NAAF-7985
NAETC-7977
NAPS-7974
NASW-7987
NAETC-7978
NAPS-7977
NAPS-7977
NAPS-7977
NAAF-7968
EXCEPT MDD/MDC/MPA
SPEAKER OUT
PREOUT
TX-SR601 ONLY
SW
U2
3
U13
U26
U31
U30
U21
A
1
2
3
4
5
BCD

Related product manuals