EasyManua.ls Logo

Onkyo TX-SR602E - Page 71

Onkyo TX-SR602E
119 pages
To Next Page IconTo Next Page
To Next Page IconTo Next Page
To Previous Page IconTo Previous Page
To Previous Page IconTo Previous Page
Loading...
TX-SR602/E
A
1
2
3
4
5
BCD
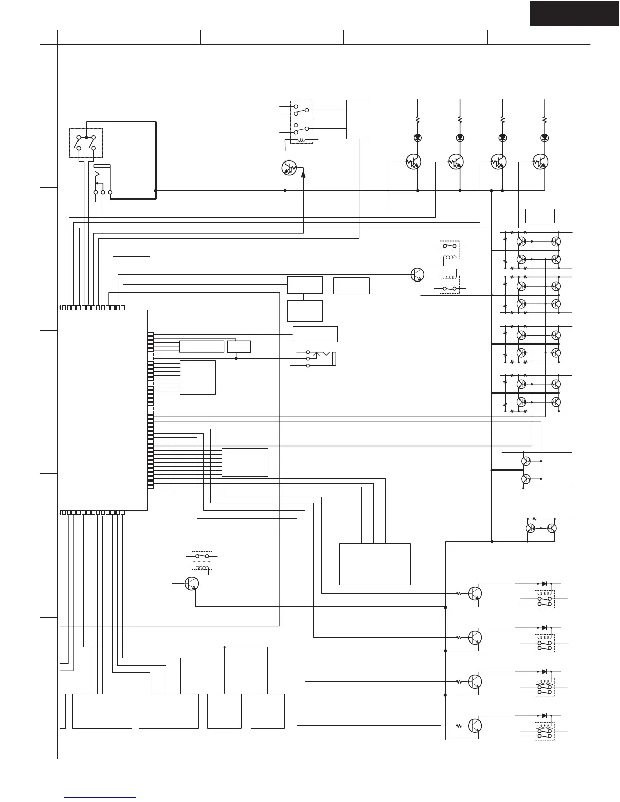
MICROPROCESSOR-CONNECTION DIAGRAM
~VMUT
LEDVOL
LEDZ2
LEDPURE
LEDSTBY
VJB
VJA
HPRL
~HPDET
~MICDET
DSPBUSY
VOLH
SEC1H
PROTECT
>
-->
-->
-->
-->
<--
<--
-->
<--
<--
<--
<--
-->
<--
116
115
114
113
112
111
110
109
108
107
106
105
104
103
102
<--
THERMAL
101
-->
~SYSOUT
100
<--
RDSSIG
99
<--
RDSDAT
98
<--
~IRABUS/~RDSCLK
97
<--
~IRIN
96
<--
SYSIN
95
<--
BAND
94
<--
INIT1
93
<--
INIT2
92
<--
INIT3
91
<--
INIT4
90
<--
INIT5
89
<--
INIT6
88
<--
INIT7
Vss
87
<--
86
-->
VPOWER
85
<--
Vcc2
84
-->
~FANH
83
-->
~FANCTR
82
-->
SBZ2MUT
81
-->
Z2LPMUT
80
-->
SPRLSB
79
-->
SPRLZ2
78
-->
SPRLCS
77
-->
SPRLF
76
-->
APOWER
75
-->
AMUT
74
-->
TUMUT
73
<--
~SD
72
<--
~STEREO
71
-->
PLLCLK
70
<--
~PLLSDI
69
-->
PLLSDO
68
-->
PLLCE
67
-->
VLTNDAT
66
-->
VLTNCLK
65
-->
VLTNSTB
P132
P130
1
52
53
54
55
56
57
58
59
60
61
62
63
64
<--
<--
<--
---
-->
---
-->
-->
-->
<--
-->
-->
-->
DIRCS
~FEPM
(DIRSDI)
DIRINT
ADCRST
FSWCLK
FSWDAT
FSWSTB
~FCE
Z2BDDAT
Z2BDCLK
Z2BDMUT
2
7FHPGP
RL7701
+
-
Q7701
HPRL
P7801
MIC
Q431
Q432
Q427
Q402
Q404
Q406
Q407
Q408
Q413
Q414
Q415
Q416
Q409
Q410
Q411
Q412
Q401
Q403
Q405
Q302 SOURCE
SELECTOR/VOLUME
TONE
NJW1157
Q305 REC
SELECTOR
TC9162
Q421 ZONE 2
VOLUME
TONE BD3814
RL901
POWER SW RELAY
Q921
Q653
2CH
ADC
CS5333
Q654
2CH
ADC
CS5333
16
16
Q429
MUTING
SWITCH
FL
FR
SR
SL
SBL
SBR
CT
SW
ZONE2
PREOUT
ZONE2
SW
Q710 RDS
DECODER BU1924
Q703
BUFFER
INITIALIZING
TUNER
PACK
S7501,S7502
VOLUME
HP
RELAY
P7705
HP
HEADPHONE
INSERT DET.
Q7584
D7584-7
VOLUME IND.
D7583
ZONE 2 IND.
D7582,8
PURE IND.
D7581
STANDBY IND.
Q7583
Q7582
Q7581
SPRLSB
SPRLF
SPRLCS
SPRLZ2
Q6601
Q6602
Q6603
Q6604
RL6807
RL6600
RL6602,RL6803
RL6805
Q6703
GATE
CIRCUIT
Q6701,2
DC DET.
CURRENT
DET.
R6380,1
THERMO DET
Q6901
BIAS
SELECT SW
RL6901
RL6902
FROM POWER
AMP. OUTPUT
RI IN/OUT
European model

Other manuals for Onkyo TX-SR602E

Related product manuals