EasyManua.ls Logo

Onkyo TX-SR603E - IC BLOCK DIAGRAMS AND TERMINAL DESCRIPTIONS-21; Q2002, 2003: NJM2595(5-INPUT 3-OUTPUT VIDEO SWITCH) BLOCK DIAGRAM TRUTH TABLE

Onkyo TX-SR603E
144 pages
Print Icon
To Next Page IconTo Next Page
To Next Page IconTo Next Page
To Previous Page IconTo Previous Page
To Previous Page IconTo Previous Page
Loading...
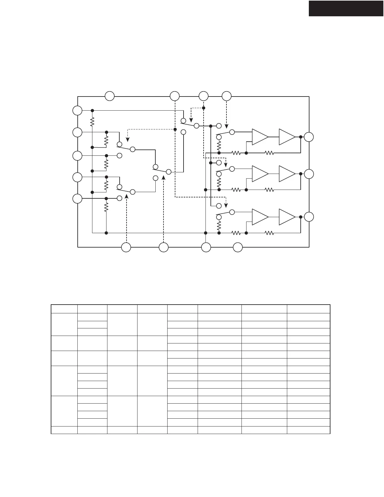
IC BLOCK DIAGRAMS AND TERMINAL DESCRIPTIONS-21
Q2002, 2003: NJM2595(5-INPUT 3-OUTPUT VIDEO SWITCH)
BLOCK DIAGRAM
TRUTH TABLE
TX-SR603X/603E/8360
75ohms
Driver
6dB
Amp
20k
S5
75ohms
Driver
6dB
Amp
20k
S6
75ohms
Driver
6dB
Amp
20k
S7
20k
20k
20k
20k
S2
S3
S4
1
15
11
81264
13
9
3
5
7
1016 214
Vout1
Vout3
Vout2
V-SW3 SW4 GND
Vin1
Vin2
Vin3
Vin4
Vin5
SW5
S1
SW2 SW1V+
Vout3
Vin1
MUTE
Vin1
MUTE
MUTE
Vin3
Vin3
Vin4
Vin4
MUTE
MUTE
Vin5
Vin5
MUTE
MUTE
MUTE
Vout2
MUTE
MUTE
MUTE
Vin2
Vin2
Vin3
Vin3
Vin4
Vin4
Vin4
Vin4
Vin5
Vin5
Vin5
Vin5
MUTE
Vout1
Vin1
Vin1
MUTE
Vin2
MUTE
Vin3
MUTE
Vin4
MUTE
Vin4
MUTE
Vin5
MUTE
Vin5
MUTE
MUTE
SW5
H
H
L
H
L
H
L
H
L
H
L
H
L
H
L
L
SW4SW3SW2SW1
X
X
X
X
X
X
L
L
L
L
L
L
H
H
H
H
H
H
H
H
H
H
L
L
H
H
L
L
L
H
L
H
Control Signal vs. Output Signal (L=VCL, H=VCH, X=L or H)

Related product manuals