EasyManua.ls Logo

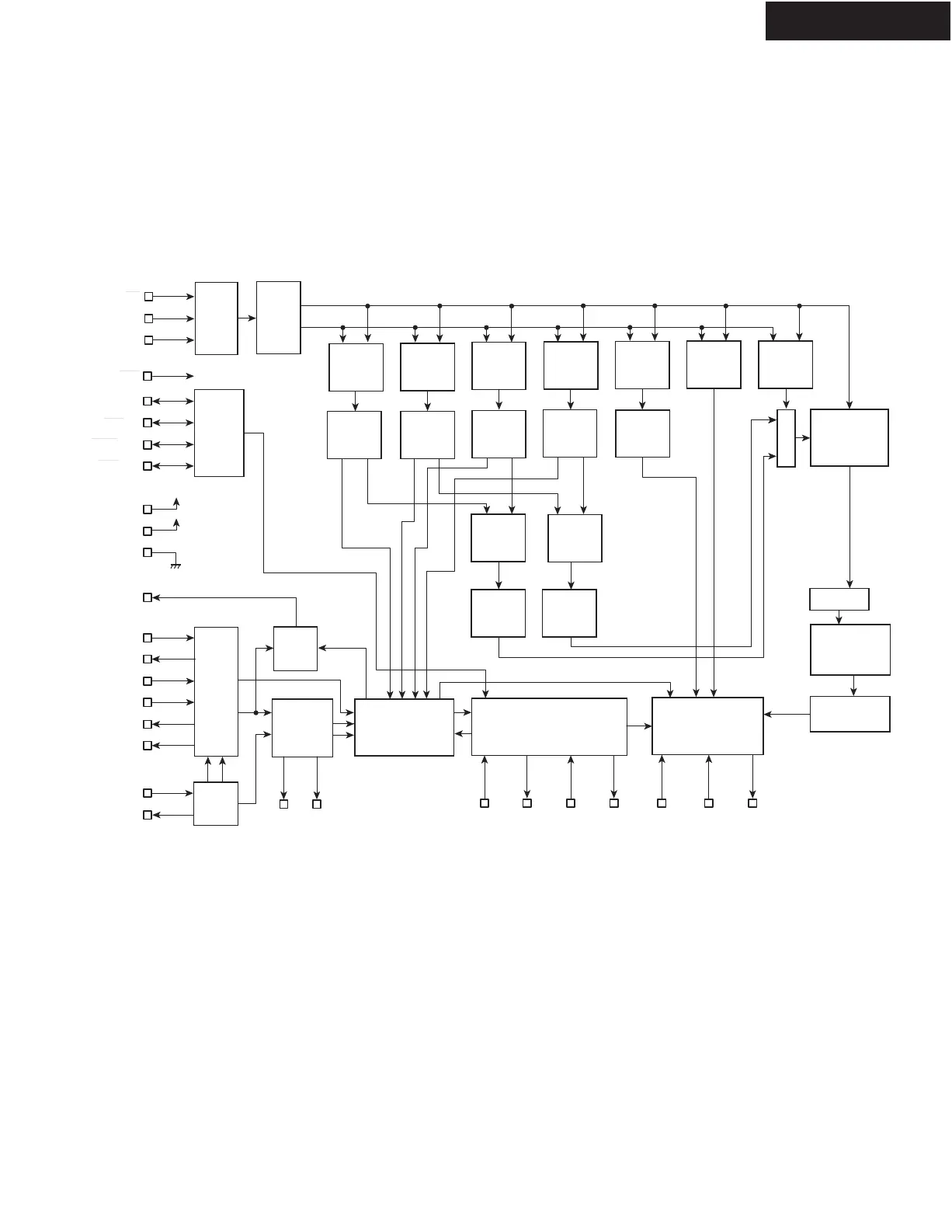
Onkyo TX-SR603E - IC BLOCK DIAGRAMS AND TERMINAL DESCRIPTIONS-22; Q2004: LC74763-9836 (On-Screen Display IC) -1;2 BLOCK DIAGRAM

Onkyo TX-SR603E
144 pages
Print Icon
To Next Page IconTo Next Page
To Next Page IconTo Next Page
To Previous Page IconTo Previous Page
To Previous Page IconTo Previous Page
Loading...
TX-SR603X/603E/8360
IC BLOCK DIAGRAMS AND TERMINAL DESCRIPTIONS-22
Q2004: LC74763-9836 (On-Screen Display IC) -1/2
BLOCK DIAGRAM
Display RAM
Decoder
RAM write
address
counter
Display
control
register
Flashing/
reversal
control
register
Serial-
parallel
converter
8-bit latch
and
command
decoder
Horizontal
character
size register
Vertical
character
size register
Horizontal
display
position
register
Vertical
display
position
register
Vertical
dot counter
Horizontal
dot counter
Vertical
size
counter
Horizontal
size
counter
Composite
synchro-
nization
signal
control
Decoder
Font ROM
Shift register
Character output control
Background control
video output control
Synchronization
signal generator
Vertical
display
position
detection
Horizontal
display
position
detection
Line
control
counter
Character
control
counter
Sync
detector
Composite
synchronization
signal separator
control
Timing generator
AFC
circuit
Sync
separator
Flashing/
reversal
control
circuit
CVOUTCVINCVCR
Xtal OUT2
Xtal IN2
Xtal OUT1
Xtal IN1
VSYNOUTHSYNOUT
CS
SIN
SCLK
RST
SECAM
525/625
NTSC/PAL
3.58/4.43
VDD1
VDD2
VSS
SYNCDET
VCOIN
VCOOUT
FC
AMPIN
AMPOUT
PDOUT
SYSIN
SEPC

Related product manuals