EasyManua.ls Logo

OTC CPTX 270 - Connection Diagram CPTX 270

OTC CPTX 270
Print Icon
To Next Page IconTo Next Page
To Next Page IconTo Next Page
To Previous Page IconTo Previous Page
To Previous Page IconTo Previous Page
Loading...
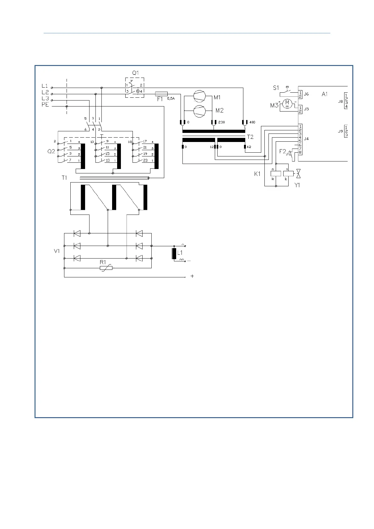
Connection diagram CPTX 270 GB
48
CPTX 270/CPTX 330
12.1 Connection diagram CPTX 270
A1
Control board
F1
Fuse
F2
Thermo protection
K1
Switcher
L1
Choke
M1,2
Ventilator
M3
Electric motor
Q1
Switch with lamp
Q2
Step switch 1-2
Q3
Step switch 1-10
S1
Feeler SLK
R1
Varistor
T1
Transformer
T2
Control transformer
Y1
Gas valve
V1
Rectifier

Table of Contents

Related product manuals