EasyManua.ls Logo

Outback Power Systems MX60 - Page 13

Outback Power Systems MX60
92 pages
Print Icon
To Next Page IconTo Next Page
To Next Page IconTo Next Page
To Previous Page IconTo Previous Page
To Previous Page IconTo Previous Page
Loading...
13
OutBack Power Systems Inc.
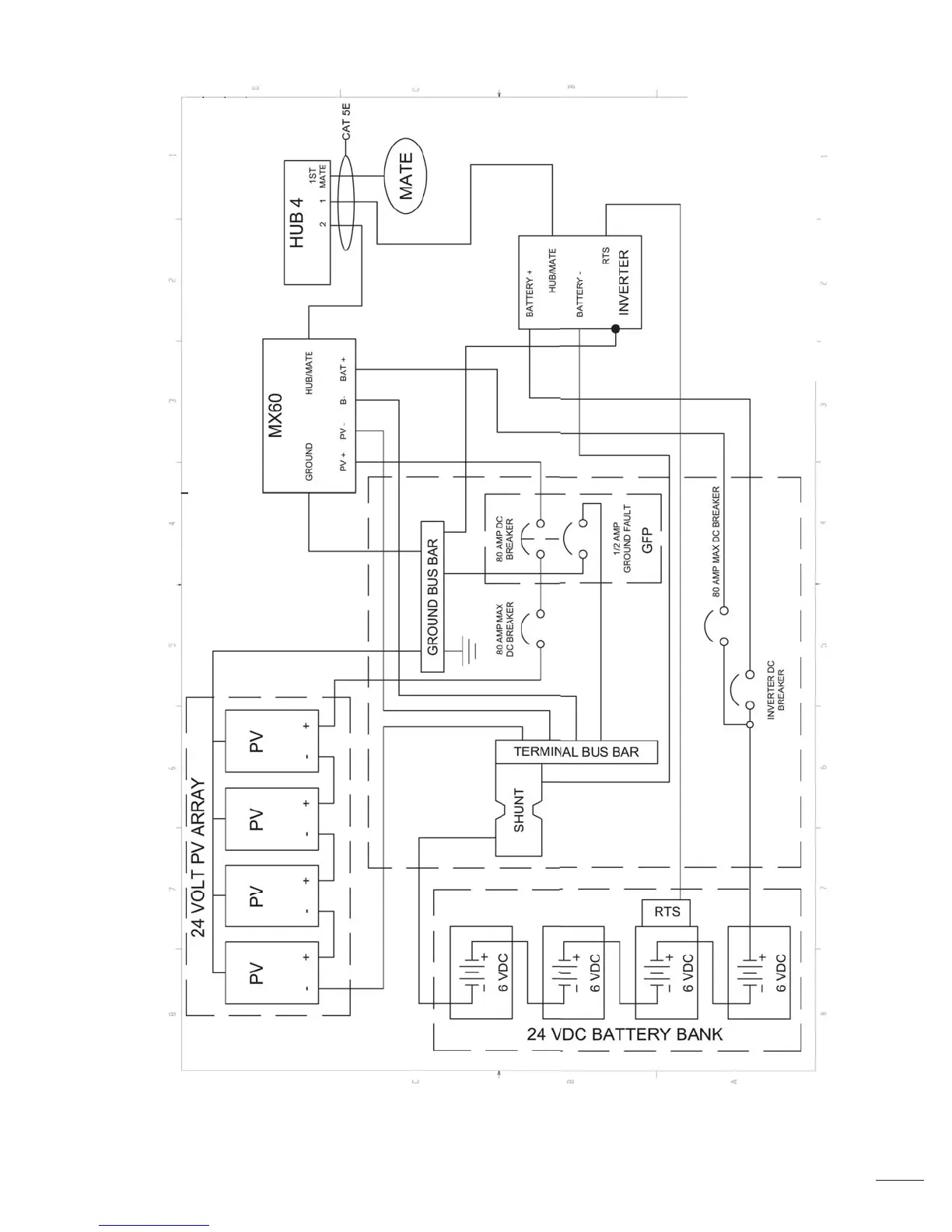
Figure 3 MX60 WITH GFP/2 WIRING DIAGRAM The GFP/2 requires a separate ground bus bar.

Table of Contents

Related product manuals