EasyManua.ls Logo

PACSystems RX3i - Page 35

PACSystems RX3i
87 pages
Print Icon
To Next Page IconTo Next Page
To Next Page IconTo Next Page
To Previous Page IconTo Previous Page
To Previous Page IconTo Previous Page
Loading...
User Manual Chapter 2
GFK-2749A Jan 2020
Installation 31
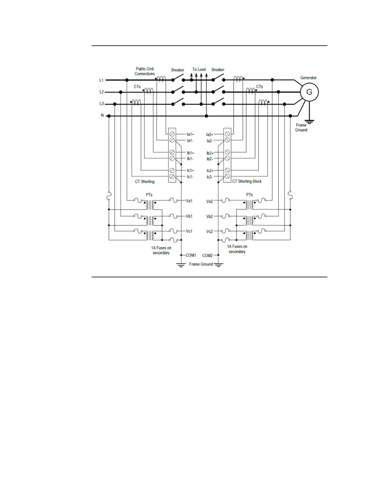
Figure 16
Delta Synchro/Power Monitor Connection (Two Wattmeter
Method)
This diagram illustrates the wiring of an open delta system utilizing the two-wattmeter
method of measurement. When used for paralleling the two grids, the missing voltage and
current inputs must be configured as unused, so the PSM can reconstruct those signals
Fuses on the PT primaries and secondaries are required. A fuse failure is an indication of
wiring problems within the system.

Table of Contents

Other manuals for PACSystems RX3i