EasyManua.ls Logo

PACSystems RX3i - Scaling Measurements with PT and CT Ratios

PACSystems RX3i
87 pages
Print Icon
To Next Page IconTo Next Page
To Next Page IconTo Next Page
To Previous Page IconTo Previous Page
To Previous Page IconTo Previous Page
Loading...
User Manual Chapter 2
GFK-2749A Jan 2020
Installation 32
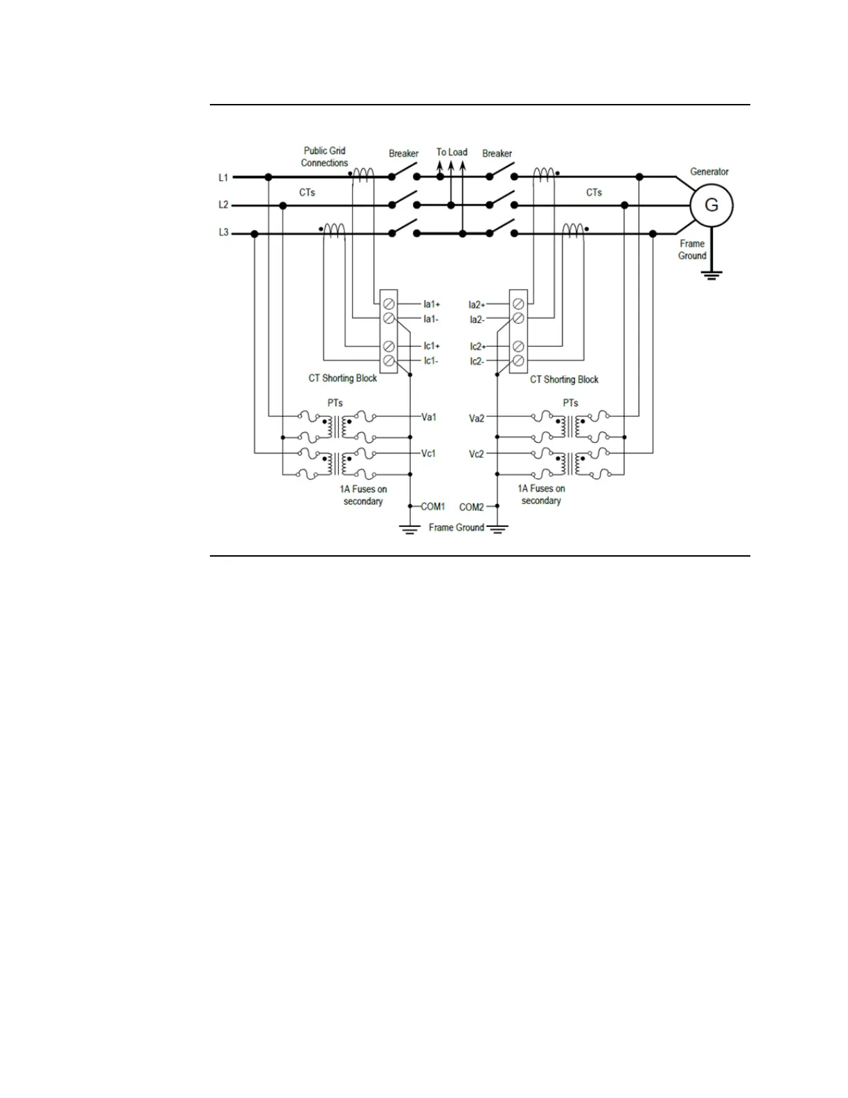
Figure 17
2.7 Scaling for PT and CT Ratios
The IC694PSM001 module reports the voltages and currents measured at the IC694ACC200
terminals. Therefore, the application logic must correct for PT and CT ratios to reflect the
actual power grid voltages, currents, powers and energies.
2.7.1 Example:
Using 480V:120V PTs requires the application logic to multiply the reported voltage values
by 4. Using 100:5 CTs requires the application logic to multiply the reported current values
by 20. Since power and energy combine voltage and current, the reported power and
energy values must both be multiplied by 80 (4 x 20).

Table of Contents

Other manuals for PACSystems RX3i