EasyManua.ls Logo

Panasonic BL-C230A - RTC block; CMOS Block

Panasonic BL-C230A
75 pages
Print Icon
To Next Page IconTo Next Page
To Next Page IconTo Next Page
To Previous Page IconTo Previous Page
To Previous Page IconTo Previous Page
Loading...
11
BL-C230A
4.1.3. RTC block
Real Time Clock (IC902)
Operating Power Supply: 3.3 V (3 V battery for back up)
Package: 10 pin SOP
Outline of Operation: Stores Clock Data and resonates Clock Signal from CPU (IC101) when it starts up.
Backup Battery provides power when power supply is out.
Lithium Battery (BT901)
Output Voltage: 3 V
Capacity: 240 mAh
Outline of Operation: A backup power supply for Real Time Clock (IC902).
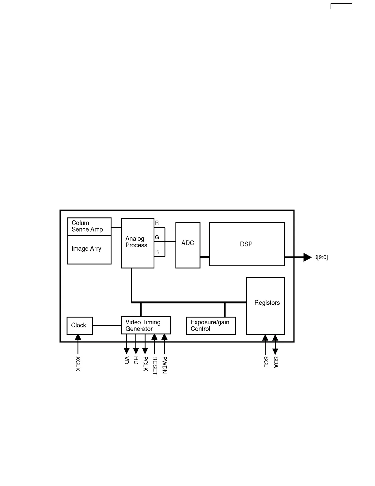
4.1.4. CMOS Block
This CMOS image sensor which consolidates sensor section and image process DSP consists of one chip. Each pixel has a
micro lens for increased sensibility. It changes optical energy to analogue voltage. After that, analogue pixel voltage is converted
into digital using the 10 bit AD Converter (ADC).
Analogue pixel voltage data which is converted to digital colored image signal is finished using DSP. Those signals are sent out
as digital format 8 bit span YUV with PCLK, HD and VD signals as a timing interface. In addition, the Image Processing Function
of AE (Auto Iris) and AWB (Auto White Balance) is installed and it is automatically operated following an algorithm in the chip.
Setting up of each chip register is set at I2C by CPU (IC101) on Main Board.
CMOS sensor module (IC401)
Package: 27 pin module
Available Number of Pixels: 640 x 480 pixels
Image Area: 1/4 inch Optical Size
Input Clock: 13.5 MHz
Operating Power Supply: AVDD=+3.1 V DOVDD=+1.8 V DVDD=+1.8 V

Table of Contents

Other manuals for Panasonic BL-C230A

Related product manuals