EasyManua.ls Logo

Panasonic CS-C12KKF-2 - Refrigeration Cycle Diagram

Panasonic CS-C12KKF-2
115 pages
Print Icon
To Next Page IconTo Next Page
To Next Page IconTo Next Page
To Previous Page IconTo Previous Page
To Previous Page IconTo Previous Page
Loading...
15
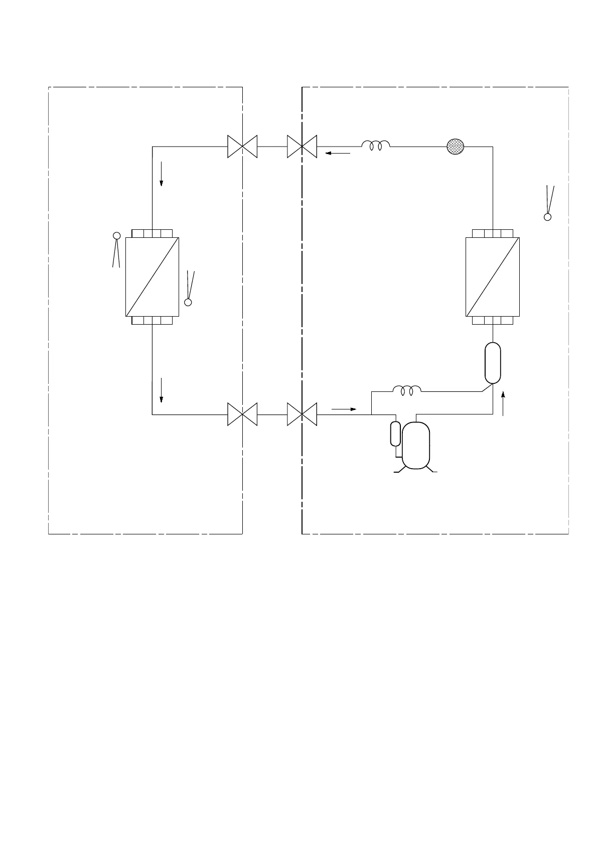
6. Refrigeration Cycle Diagram
INDOOR OUTDOOR
LIQUID
SIDE
GAS
SIDE
CAPILLARY
TUBE
HEAT EXCHANGER
(CONDENSER)
THERMOSTAT
(C28KK only)
OIL
SEPARATOR
(C28KK only)
HEAT EXCHANGER
(EVAPORATOR)
COMPRESSOR
2-WAY
VALVE
PIPE
TEMP.
SENSOR
INTAKE
AIR
TEMP.
SENSOR
3-WAY
VALVE
STRAINER
CAPILLARY
TUBE
(C28KK only)

Table of Contents

Related product manuals