EasyManua.ls Logo

Panasonic CS-C12KKF-2 - Wiring Connection Diagram; Cs-C12 Kkf-2 Cu-C12 Kkf-2

Panasonic CS-C12KKF-2
115 pages
Print Icon
To Next Page IconTo Next Page
To Next Page IconTo Next Page
To Previous Page IconTo Previous Page
To Previous Page IconTo Previous Page
Loading...
19
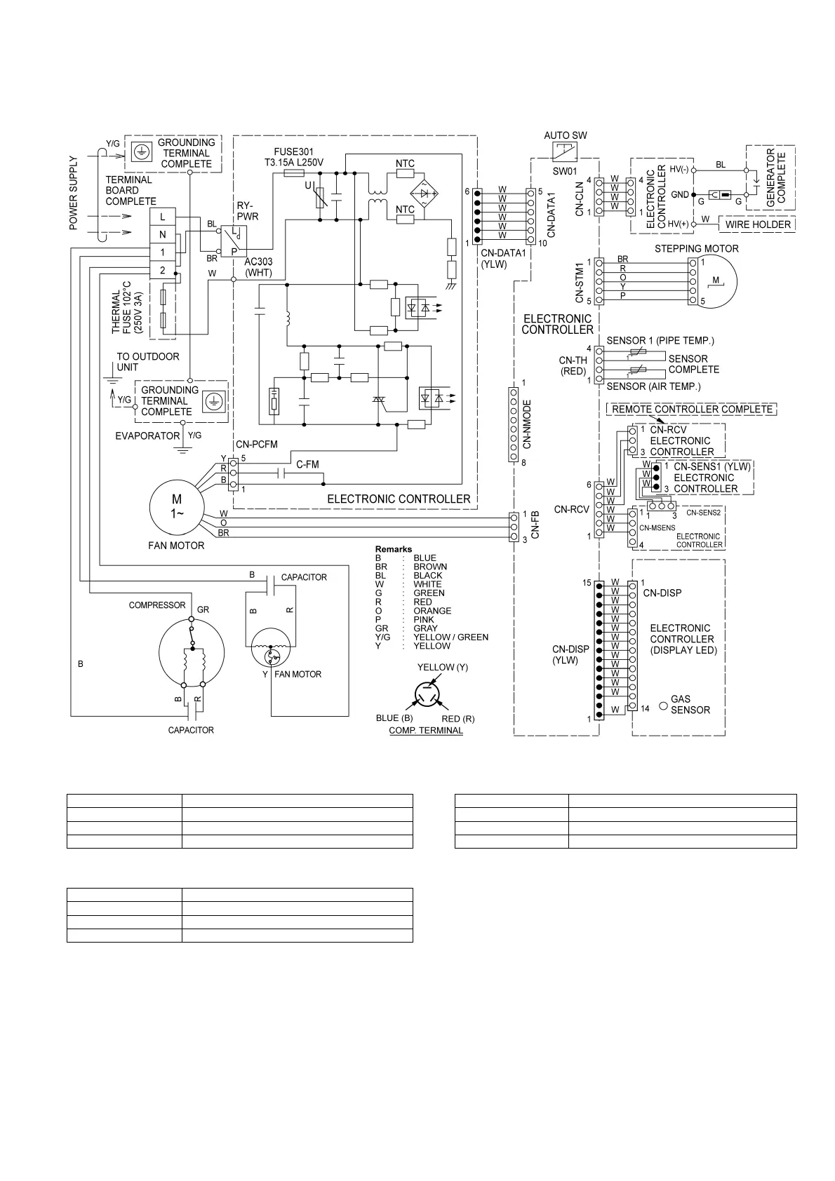
8. Wiring Connection Diagram
8.1 CS-C12KKF-2 CU-C12KKF-2
Resistance of Indoor Fan Motor Windings
Resistance of Compressor Windings
MODEL CS-C12KKF-2 MODEL CU-C12KKF-2
CONNECTION CWA921409 CONNECTION 2KS210D5AA06
BLUE-YELLOW 457.2 C-R 2.279
YELLOW-RED 420.5 C-S 3.526
Note: Resistance at 25°C of ambient temperature. Note: Resistance at 20°C of ambient temperature.
Resistance of Outdoor Fan Motor Windings
MODEL CU-C12KKF-2
CONNECTION CWA951676
BLUE-YELLOW 198
YELLOW-RED 293
Note: Resistance at 20°C of ambient temperature.

Table of Contents

Related product manuals