EasyManua.ls Logo

Panasonic CS-C12KKF-2 - Electronic Circuit Diagram; Cs-C12 Kkf-2 Cu-C12 Kkf-2

Panasonic CS-C12KKF-2
115 pages
Print Icon
To Next Page IconTo Next Page
To Next Page IconTo Next Page
To Previous Page IconTo Previous Page
To Previous Page IconTo Previous Page
Loading...
23
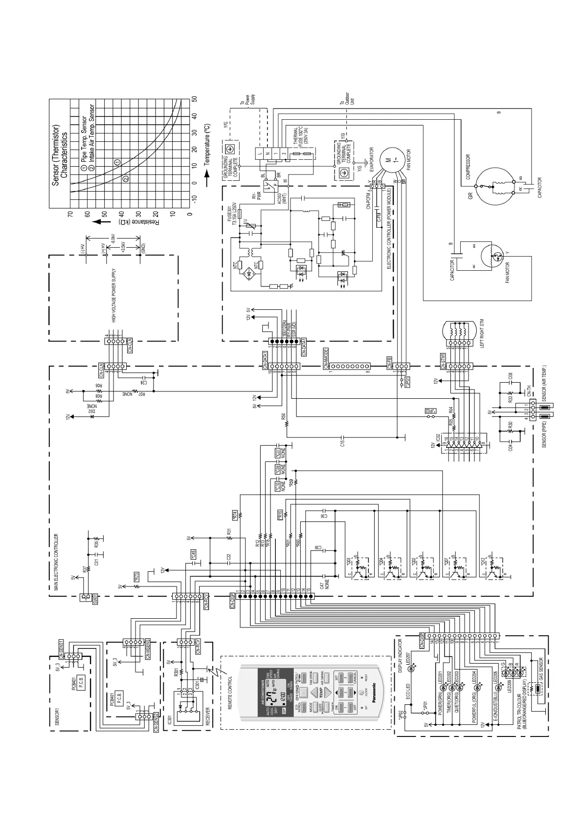
9. Electronic Circuit Diagram
9.1 CS-C12KKF-2 CU-C12KKF-2

Table of Contents

Related product manuals