EasyManua.ls Logo

Panasonic CS-C12KKF-2 - Cs-C24 Kkf-2 Cu-C24 Kkf-2

Panasonic CS-C12KKF-2
115 pages
Print Icon
To Next Page IconTo Next Page
To Next Page IconTo Next Page
To Previous Page IconTo Previous Page
To Previous Page IconTo Previous Page
Loading...
25
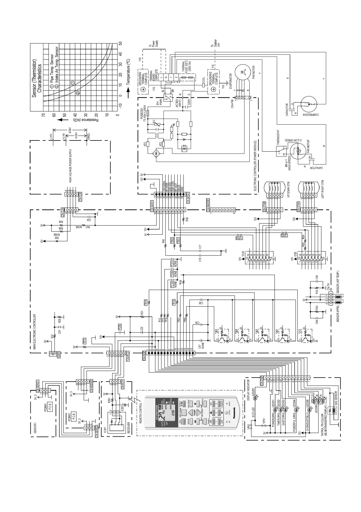
9.3 CS-C24KKF-2 CU-C24KKF-2

Table of Contents

Related product manuals