EasyManua.ls Logo

Panasonic CS-C12KKF-2 - Cs-C18 Kkf-2 Cu-C18 Kkf-2

Panasonic CS-C12KKF-2
115 pages
Print Icon
To Next Page IconTo Next Page
To Next Page IconTo Next Page
To Previous Page IconTo Previous Page
To Previous Page IconTo Previous Page
Loading...
20
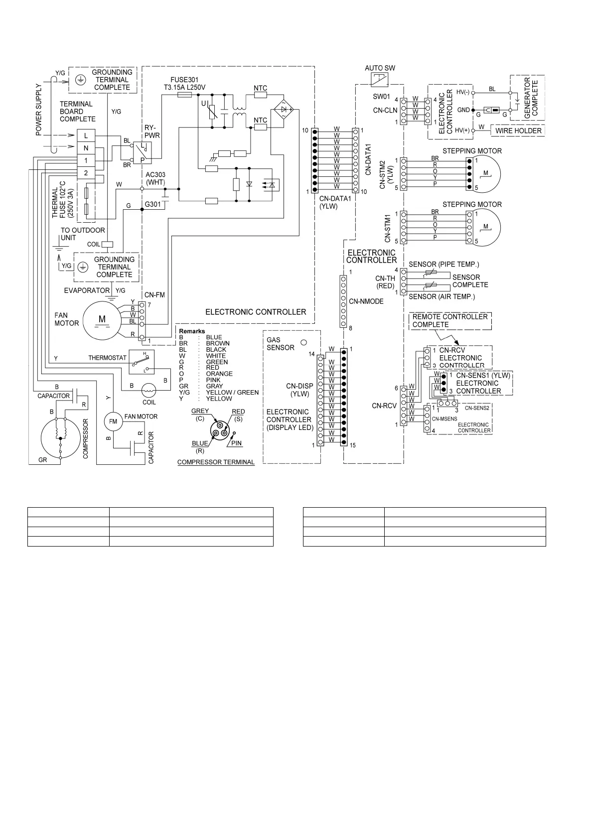
8.2 CS-C18KKF-2 CU-C18KKF-2
Resistance of Outdoor Fan Motor Windings
Resistance of Compressor Windings
MODEL CU-C18KKF-2 MODEL CU-C18KKF-2
CONNECTION CWA951676 CONNECTION 2KS324D5BA06
BLUE-YELLOW 198 C-R 1.453
YELLOW-RED 293 C-S 3.151
Note: Resistance at 20°C of ambient temperature. Note: Resistance at 20°C of ambient temperature.

Table of Contents

Related product manuals