EasyManua.ls Logo

Panasonic CS-C12KKF-2 - Cs-C28 Kkf-2 Cu-C28 Kkf-2

Panasonic CS-C12KKF-2
115 pages
Print Icon
To Next Page IconTo Next Page
To Next Page IconTo Next Page
To Previous Page IconTo Previous Page
To Previous Page IconTo Previous Page
Loading...
22
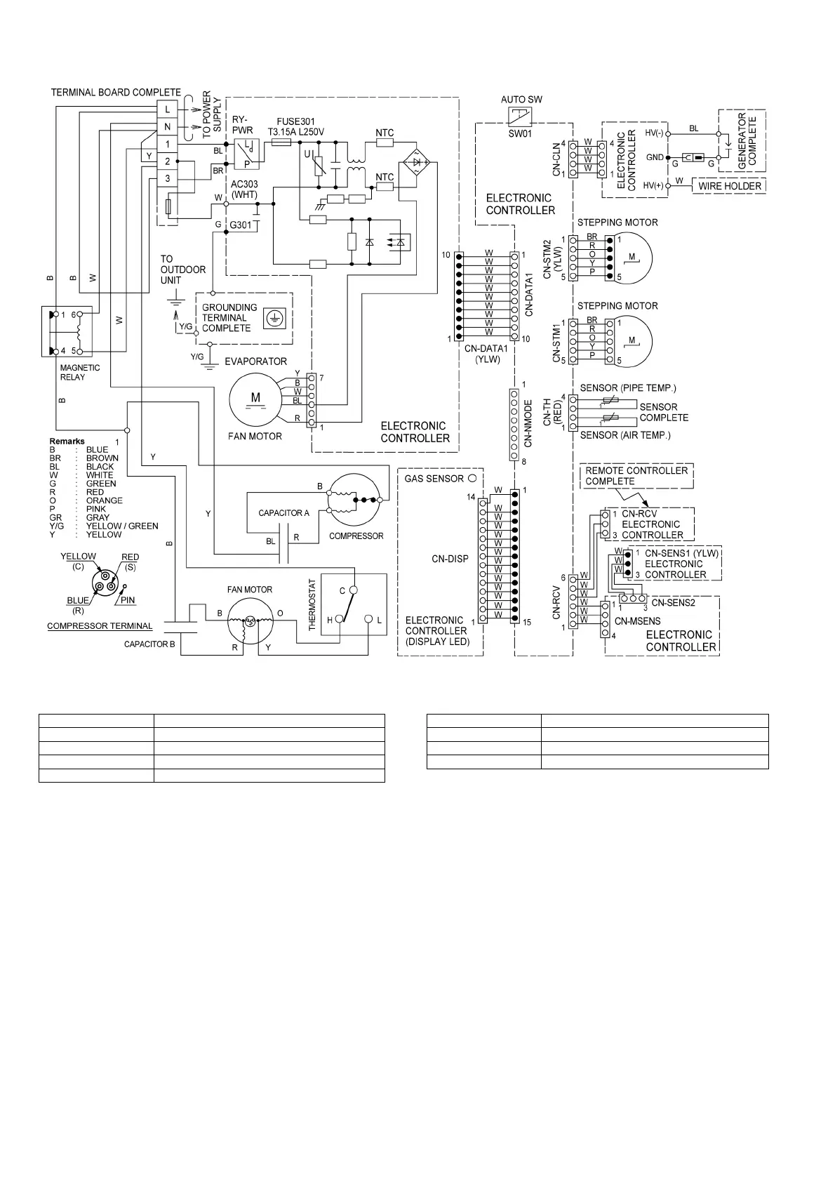
8.4 CS-C28KKF-2 CU-C28KKF-2
Resistance of Outdoor Fan Motor Windings
Resistance of Compressor Windings
MODEL CU-C28KKF-2 MODEL CU-C28KKF-2
CONNECTION CWA951689 CONNECTION 2JD514D3AA03
YELLOW-BLUE 64 C-R 0.708
YELLOW-ORANGE 90 C-S 1.985
YELLOW-RED 55 Note: Resistance at 20°C of ambient temperature.
Note: Resistance at 20°C of ambient temperature.

Table of Contents

Related product manuals